masterKoryakin

матрос
Регистрация
29.08.2021
Сообщения
12
Карма
2
Город
Северодвинск
Лодка
Крым
Мотор
suzuki dt30rs
Всем здравствуйте, мотор Suzuki dt30rs, на обкатке на реке, спустя 3 часа езды в половину газа максимум, стал давать каждые 10мин газ полный на 30сек до минуты (по паспорту), так отработал 4й час без нареканий, и после очередного разгона при сбросе газа полностью заглох, а когда заводился, сразу глох. Крышка в баке приоткрыта, вода охлаждения идёт, смесь масла 25к1 (по паспорту для обкатки), свечи были влажные, подкачивал грушу.
На следующий день, заменил свечи на новые такие же и с поднятым флажком газа на машинке и нажатым ключом (или выдвинутым подсосом) завёлся с первого раза, убираю плавно флажок тут же глохнет, без флажка то же самое, заводится и глохнет. Подскажите господа, на что обратить внимание, что можно самому исправить, моторчик на гарантии.
 

Кикос

капитан 1-го ранга
Регистрация
30.11.2015
Сообщения
3 007
Карма
1 068
Возраст
55
Город
Иркутск
Имя
Николай
Лодка
Неман 2
Мотор
Suzuki DT30RS
Подобное происходит при первом запуске за день. Но когда флажок на машинке наполовину поднимал. Со второго, третьего раза заводится потом. Вчера поднимал флажок полностью, завёлся и секунд через 30, может меньше, стал немного сбрасывать, дальше нормально. Но груша вначале почему то не накачивается до твёрдого состояния.
 

GreitGuru

капитан 3-го ранга
Регистрация
02.08.2019
Сообщения
541
Карма
269
Возраст
47
Город
Пермь
Имя
Илья
Лодка
"Днепр"
Мотор
Suzuki DT30S, Tohatsu M 3.5 S
У меня, при обкатке вроде было похожее, потом, когда уже залил обычную смесь, все нормализовалось. И на холодную было как то, но тогда за бортом была минусовая температура. Как двигатель прогрелся, все стало нормально.
 

GreitGuru

капитан 3-го ранга
Регистрация
02.08.2019
Сообщения
541
Карма
269
Возраст
47
Город
Пермь
Имя
Илья
Лодка
"Днепр"
Мотор
Suzuki DT30S, Tohatsu M 3.5 S
Но груша вначале почему то не накачивается до твёрдого состояния.
Кстати да, тоже заметил, груша не твердеет, а просто перепускает, при этом карбюратор заполнен и мотор запускается нормально.
 

masterKoryakin

матрос
Регистрация
29.08.2021
Сообщения
12
Карма
2
Город
Северодвинск
Лодка
Крым
Мотор
suzuki dt30rs
Подобное происходит при первом запуске за день. Но когда флажок на машинке наполовину поднимал. Со второго, третьего раза заводится потом. Вчера поднимал флажок полностью, завёлся и секунд через 30, может меньше, стал немного сбрасывать, дальше нормально. Но груша вначале почему то не накачивается до твёрдого состояния.
после первого запуска я отъездил уже 4 часа, и он заглох когда сбавлял газ на ходу и с тех пор каждый раз заводится и глохнет несмотря на то что флажок поднимаю, не реагирует на него, глохнет
 

masterKoryakin

матрос
Регистрация
29.08.2021
Сообщения
12
Карма
2
Город
Северодвинск
Лодка
Крым
Мотор
suzuki dt30rs
Кстати да, тоже заметил, груша не твердеет, а просто перепускает, при этом карбюратор заполнен и мотор запускается нормально.
груша твёрдая, я ж перекачал, свечи сырые были
 

Арчибальд

капитан 1-го ранга
Регистрация
18.10.2015
Сообщения
3 134
Карма
1 298
Город
Сызрань
Имя
Александр
Лодка
Казанка 5М
Мотор
HIDEA 40 FES
Мотор на гарантии, вот и вези его в сервис. Или сам смотри карбюратор(если есть желание и опыт), вся причина скорее всего в нём, соринка.
 

Кикос

капитан 1-го ранга
Регистрация
30.11.2015
Сообщения
3 007
Карма
1 068
Возраст
55
Город
Иркутск
Имя
Николай
Лодка
Неман 2
Мотор
Suzuki DT30RS
Кстати да, тоже заметил, груша не твердеет, а просто перепускает, при этом карбюратор заполнен и мотор запускается нормально.
Когда то читал, что Суза 30 запускается порой на холодную с танцами, не обращаю внимания, если с первого раза не пустилась, качаю грушу еще. Потом завожу, не с первого, та со второго. С 15- ой такого не было.
 

Тугарин

капитан 1-го ранга
Регистрация
08.03.2015
Сообщения
26 426
Карма
1 651
Возраст
45
Город
Саратов - Рай
Имя
Александр сын Сергея
Лодка
П2, К, К5м, К5м4, К2м, Амур-д, ПрофМарин 350 нднд было, Обь-м НТ, ямаран т330, гулянка есть
Мотор
Ямахa 2, Вихрь 25,30, HDX T5, Меркурий 50ЕО, джонсон 70 было. Джонсон 15, Ямаха F25AEHT, Вихрь 30 есть

simply man

капитан 3-го ранга
Регистрация
26.06.2012
Сообщения
973
Карма
865
Возраст
45
Город
Пермь
Имя
Дмитрий
Лодка
Прогресс 2м (был), Николь-Фаворит 1
Мотор
Вихрь-30 (были), Suzuki DT30RS (был), Yamaha F115AETL
У Сузы 30 холостой ход не стабильный, более менее держит при запуске в теплую погоду ну и сам когда прогрет. В остальное время может чудить, так что закидывание свечей на обкатке совсем не удивляет
 

Тугарин

капитан 1-го ранга
Регистрация
08.03.2015
Сообщения
26 426
Карма
1 651
Возраст
45
Город
Саратов - Рай
Имя
Александр сын Сергея
Лодка
П2, К, К5м, К5м4, К2м, Амур-д, ПрофМарин 350 нднд было, Обь-м НТ, ямаран т330, гулянка есть
Мотор
Ямахa 2, Вихрь 25,30, HDX T5, Меркурий 50ЕО, джонсон 70 было. Джонсон 15, Ямаха F25AEHT, Вихрь 30 есть

masterKoryakin

матрос
Регистрация
29.08.2021
Сообщения
12
Карма
2
Город
Северодвинск
Лодка
Крым
Мотор
suzuki dt30rs
Мотор на гарантии, вот и вези его в сервис. Или сам смотри карбюратор(если есть желание и опыт), вся причина скорее всего в нём, соринка.
а если снять свечи, поднять иглу на карбюраторе чтоб пропускала бензин и попробовать продёрнуть маховик с выключенным ключиком на машинке - получится может выгнать всю грязь так из него?
 

Арчибальд

капитан 1-го ранга
Регистрация
18.10.2015
Сообщения
3 134
Карма
1 298
Город
Сызрань
Имя
Александр
Лодка
Казанка 5М
Мотор
HIDEA 40 FES
Проще снять карб. и аккуратно всё продуть. Как ты собрался поднимать иглу не снимая его?
Винт колличества смеси глянь на сколько вывернут заодно.
 

луха

капитан 1-го ранга
Регистрация
13.07.2010
Сообщения
10 972
Карма
4 771
Возраст
50
Город
Волжский-Волгоград
Имя
Алексей
Лодка
Снегоход
Мотор
быстрый

Кикос

капитан 1-го ранга
Регистрация
30.11.2015
Сообщения
3 007
Карма
1 068
Возраст
55
Город
Иркутск
Имя
Николай
Лодка
Неман 2
Мотор
Suzuki DT30RS
У Сузы 30 холостой ход не стабильный, более менее держит при запуске в теплую погоду ну и сам когда прогрет. В остальное время может чудить, так что закидывание свечей на обкатке совсем не удивляет
"Родовая" черта, так сказать!
 

masterKoryakin

матрос
Регистрация
29.08.2021
Сообщения
12
Карма
2
Город
Северодвинск
Лодка
Крым
Мотор
suzuki dt30rs
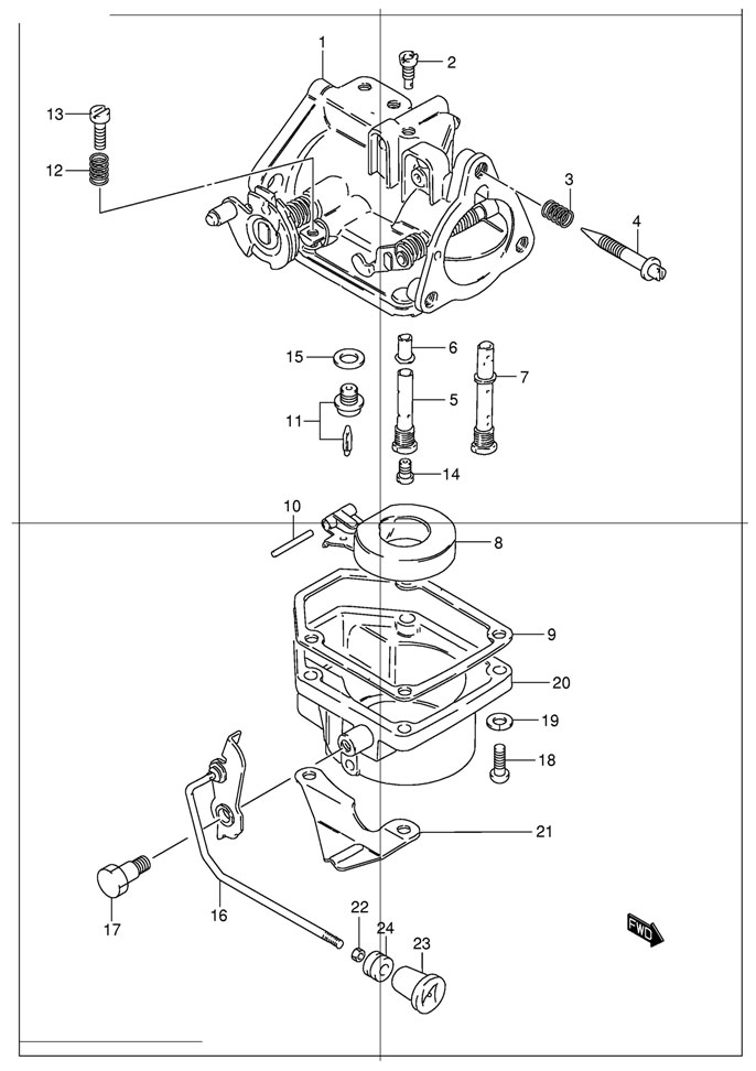
отдал вчера в гарантийный сервис Suzuki, сегодня звонит механик от них и говорит что в карбюраторе не хватает жиклёра холостого хода, карбюратор я не трогал и это видно, он отвечает возможно жиклёр выкрутился и выпал, но в поддоне его не обнаружил, предлагает поискать в багажнике авто, я не нашёл. Но странно всё это слышать и чем теперь закончится не знаю, в наличии у них его нет
 

Кикос

капитан 1-го ранга
Регистрация
30.11.2015
Сообщения
3 007
Карма
1 068
Возраст
55
Город
Иркутск
Имя
Николай
Лодка
Неман 2
Мотор
Suzuki DT30RS
213074

01409491-28012-000JET, MAIN (142.5) (DT25)Жиклер главный (142.5) (DT25)по запросу
09491-32012-000JET, MAIN (160) (DT30, <-9491-32013)Жиклер главный (160) (DT30, <-9491-32013)
 

Кикос

капитан 1-го ранга
Регистрация
30.11.2015
Сообщения
3 007
Карма
1 068
Возраст
55
Город
Иркутск
Имя
Николай
Лодка
Неман 2
Мотор
Suzuki DT30RS
отдал вчера в гарантийный сервис Suzuki, сегодня звонит механик от них и говорит что в карбюраторе не хватает жиклёра холостого хода, карбюратор я не трогал и это видно, он отвечает возможно жиклёр выкрутился и выпал, но в поддоне его не обнаружил, предлагает поискать в багажнике авто, я не нашёл. Но странно всё это слышать и чем теперь закончится не знаю, в наличии у них его нет
Возможно и карбюратор не вскрывал(( Поискать в багажнике....в гараже, на берегу, а может и утонул при первом выходе))
 

луха

капитан 1-го ранга
Регистрация
13.07.2010
Сообщения
10 972
Карма
4 771
Возраст
50
Город
Волжский-Волгоград
Имя
Алексей
Лодка
Снегоход
Мотор
быстрый

Кикос

капитан 1-го ранга
Регистрация
30.11.2015
Сообщения
3 007
Карма
1 068
Возраст
55
Город
Иркутск
Имя
Николай
Лодка
Неман 2
Мотор
Suzuki DT30RS

simply man

капитан 3-го ранга
Регистрация
26.06.2012
Сообщения
973
Карма
865
Возраст
45
Город
Пермь
Имя
Дмитрий
Лодка
Прогресс 2м (был), Николь-Фаворит 1
Мотор
Вихрь-30 (были), Suzuki DT30RS (был), Yamaha F115AETL
поз.14
Вот и у меня такой вопрос.
14-это же главный, а у него потерялся я так понял воздушный холостого-это поз 2. Стоит он снаружи, маленький. Мог выкрутиться и выпасть в поддон (хорошо) или в картер (плохо но маловероятно).
 
Последнее редактирование:

Кикос

капитан 1-го ранга
Регистрация
30.11.2015
Сообщения
3 007
Карма
1 068
Возраст
55
Город
Иркутск
Имя
Николай
Лодка
Неман 2
Мотор
Suzuki DT30RS
14-это же главный, а у него потерялся я так понял воздушный холостого-это поз 2. Стоит он снаружи, маленький. Мог выкрутиться и выпасть в поддон (хорошо) или в картер (плохо но маловероятно).
Твоя правда Дмитрий! Невнимательно прочитал я((
Тогда поз. 2 Но как он потерялся то? Валялся бы в поддоне!
 

simply man

капитан 3-го ранга
Регистрация
26.06.2012
Сообщения
973
Карма
865
Возраст
45
Город
Пермь
Имя
Дмитрий
Лодка
Прогресс 2м (был), Николь-Фаворит 1
Мотор
Вихрь-30 (были), Suzuki DT30RS (был), Yamaha F115AETL
Твоя правда Дмитрий! Невнимательно прочитал я((
Тогда поз. 2 Но как он потерялся то? Валялся бы в поддоне!
Завалился может под двигатель-там же не все просматривается. Но опять же должны быть там отверстия слива случайной воды-мог и выпасть.
 
Вверх Снизу