салмон

старшина 1ст.
Регистрация
28.07.2014
Сообщения
85
Карма
1
Город
Полярные Зори
Имя
Александр
Лодка
Прог4
Мотор
Вихрь25-Меркурий5-ветерок-12
Как устранить данный дефект! Когда дорожишь-необходимо с определенной скоростью проводить проводку приманок! Скорости на самых малых оборотах не хватает-а когда прибавлю-то зафиксировать их не могу-винт не держит-!
Что делать-лезть боюсь-чайник! Подскажите-как устранить ?
 

Арчибальд

капитан 1-го ранга
Регистрация
18.10.2015
Сообщения
3 133
Карма
1 295
Город
Сызрань
Имя
Александр
Лодка
Казанка 5М
Мотор
HIDEA 40 FES
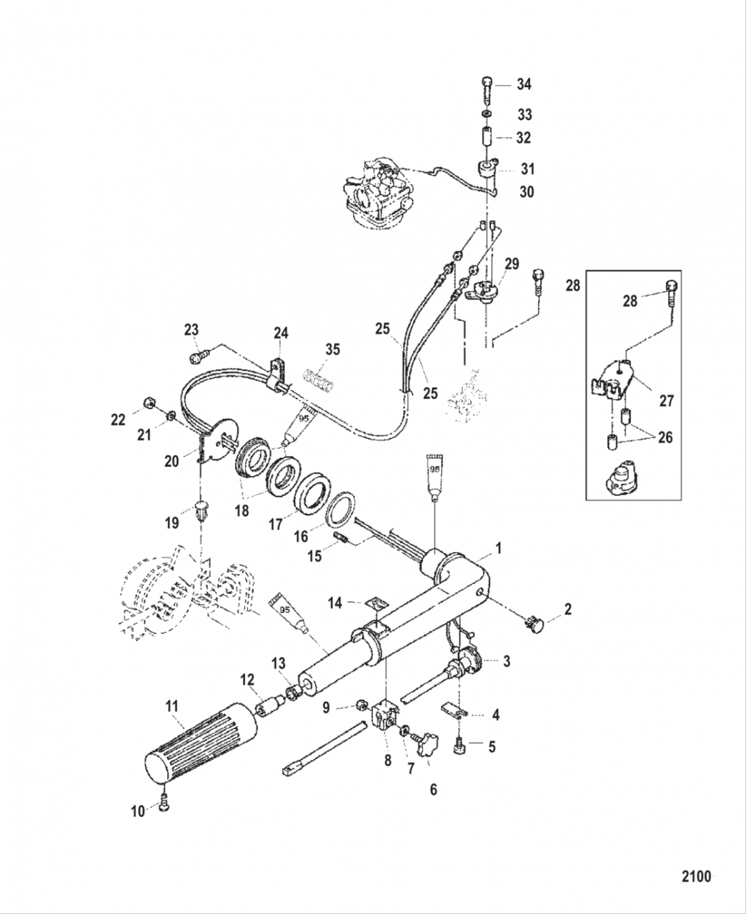
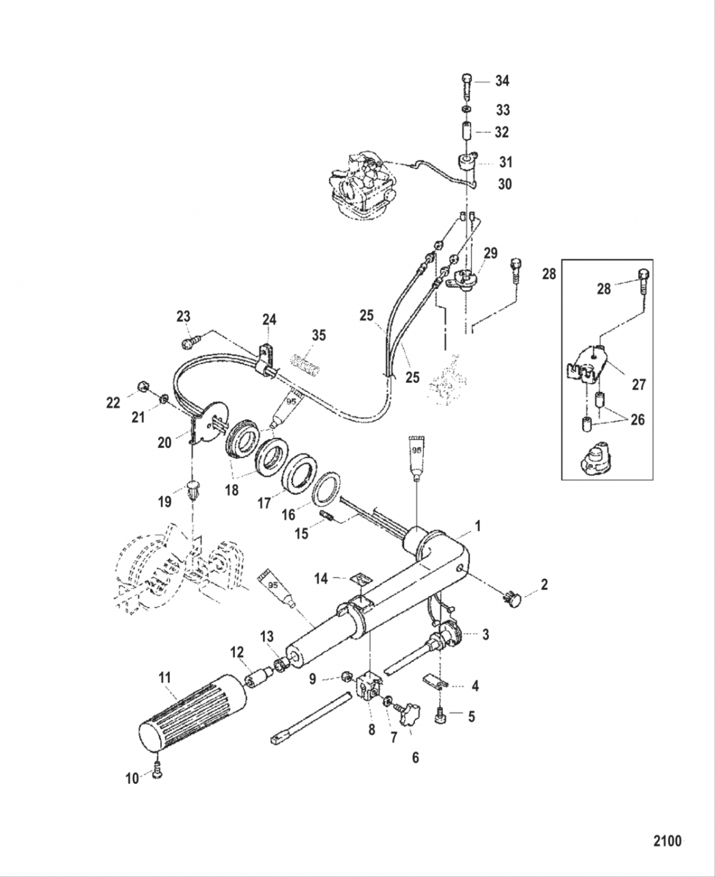
Если сам боишься лезть, тогда вези к мастеру. Если серьёзно, там ничего страшного и нет наверное, разгляди внимательнее как фиксатор устроен, румпель то не закрытый вроде. Если мотор что в профиле, вот твой узел. Изучай.
 

Вложения

салмон

старшина 1ст.
Регистрация
28.07.2014
Сообщения
85
Карма
1
Город
Полярные Зори
Имя
Александр
Лодка
Прог4
Мотор
Вихрь25-Меркурий5-ветерок-12
Александр-спасибо! Буду смотреть!!!
 
Вверх Снизу