Георг Ом

капитан 1-го ранга
Регистрация
01.07.2016
Сообщения
5 699
Карма
1 675
Возраст
45
Город
Богородск
Имя
Юрий
Лодка
Есть Прогресс-2, Фрегат370С, были Орион-10 ЯРТ, Романтика, Ока-2 РЗАА, Малютка-2
Мотор
Вихри, Ветерок-8, Кама, Москва-М, ЛМ-1, Чайка

BECHA

гл. старшина
Регистрация
25.08.2021
Сообщения
125
Карма
29
Город
Ногинский р-н, Электроугли
Имя
Сергей
Лодка
пока нет
Мотор
пока нет
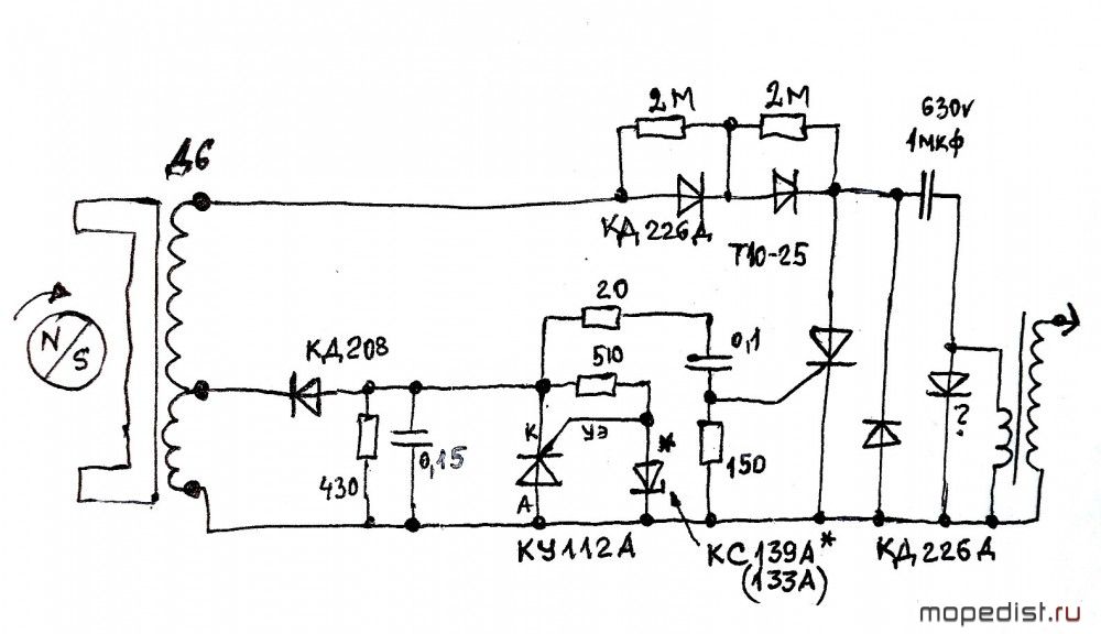
приложил оригинал схемы и ее модификацию о которой вы говорили.

на мой взгляд схема RM85 (тоже приложил) выглядит интереснее - в ней более правильно включается силовой тиристор.
 

Вложения

efik53

капитан 1-го ранга
Регистрация
25.01.2017
Сообщения
2 038
Карма
664
Возраст
72
Город
UA
Имя
Виктор Ефимов
Лодка
Энерджи 350 НДНД
Мотор
СузукиДф2.5 Ветерок8м. Эвинруд9,9
Как вы достали с вашими микро контролерами. Ни одна фирма их не применяет.Сколько двигателей работает с фиксированной тарелкой и нигде нет никакого контролера.
 

Георг Ом

капитан 1-го ранга
Регистрация
01.07.2016
Сообщения
5 699
Карма
1 675
Возраст
45
Город
Богородск
Имя
Юрий
Лодка
Есть Прогресс-2, Фрегат370С, были Орион-10 ЯРТ, Романтика, Ока-2 РЗАА, Малютка-2
Мотор
Вихри, Ветерок-8, Кама, Москва-М, ЛМ-1, Чайка
На маломощных лодочных моторах где магнето крутится, а где и два датчика стоит. На мощных моторах повально стоит и ЭБУ, и диагностический разъем как у современных автомобилей.
 

chebarik

капитан 1-го ранга
Регистрация
28.01.2015
Сообщения
15 837
Карма
4 197
Город
Земля
Имя
Андрей
Лодка
Романтика
Мотор
Mcculloch 4
На маломощных лодочных моторах где магнето крутится, а где и два датчика стоит. На мощных моторах повально стоит и ЭБУ, и диагностический разъем как у современных автомобилей.
как-то всякие Терхи и Вольвопенты без этого обходились...
 

Георг Ом

капитан 1-го ранга
Регистрация
01.07.2016
Сообщения
5 699
Карма
1 675
Возраст
45
Город
Богородск
Имя
Юрий
Лодка
Есть Прогресс-2, Фрегат370С, были Орион-10 ЯРТ, Романтика, Ока-2 РЗАА, Малютка-2
Мотор
Вихри, Ветерок-8, Кама, Москва-М, ЛМ-1, Чайка
как-то всякие Терхи и Вольвопенты без этого обходились...
Андрей, ты-бы еще Чайку с фиксированным углом вспомнил-бы. Речь про современные моторы. Просто Виктор голословно заявлят что никто не применяет контроллеры на лодочных моторах. На четырехтактных сил так от 30 уже стоят ЭБУ в которых как раз микроконтроллеры в основе.
 

chebarik

капитан 1-го ранга
Регистрация
28.01.2015
Сообщения
15 837
Карма
4 197
Город
Земля
Имя
Андрей
Лодка
Романтика
Мотор
Mcculloch 4
Андрей, ты-бы еще Чайку с фиксированным углом вспомнил-бы. Речь про современные моторы. Просто Виктор голословно заявлят что никто не применяет контроллеры на лодочных моторах. На четырехтактных сил так от 30 уже стоят ЭБУ в которых как раз микроконтроллеры в основе.
На четырехтактных да.
 

Voivano

вице-адмирал
Команда форума
Регистрация
11.08.2016
Сообщения
5 118
Карма
2 450
Возраст
65
Город
Ачинск
Имя
Владимир
Лодка
Ракета РЛ-380
Мотор
Ветерок 8, Ветерок 12, Yamaha 6E3S (5CSMH), Москва М, Гибрид 7 лс. Гибрид 8 лс. Стрела и еще разные.
Это последняя чистка за вами без последствий.
 

slavab

матрос
Регистрация
29.06.2012
Сообщения
27
Карма
3
Имя
Слава
Лодка
Обь
Мотор
Нептун 23
Как вы достали с вашими микро контролерами. Ни одна фирма их не применяет.Сколько двигателей работает с фиксированной тарелкой и нигде нет никакого контролера.
Да ладно, прям вот так вот никто и не применяет?
 

Вложения

Вверх Снизу