saratovfest

капитан 3-го ранга
Регистрация
10.07.2012
Сообщения
912
Карма
323
Возраст
48
Город
Саратов
Имя
Вадим
Лодка
Казанка 5М3, Monterey-228
Мотор
Suzuki DT40WRS, Volvo-Penta 5.7GXI.V8
с494 сказал(а):
Гермоотсека, герметичной носовки Прогресса и водонепроницаемых переборок мало? Так у него ещё пенопласт под сидениями.
Юрий,Приветствую.
непонятно
какие переборки и пенопласт
в лучшем случае
стандартный не тюнингованый Прогресс с мотором и родным носовым отсеком плавучести
будет торчать свечкой 15 минут.
а так вообще он уходит на глубину...
Вы пробововали топить прогресс?
я пробовал топить метлу с мешком песка вместо мотора ,
затопленная метла выдержала 1час 50минут на ровном киле.
и как то присутствовал при топке прогресса 4 с 30вихрём...
 

vovan944

капитан 1-го ранга
Регистрация
16.05.2013
Сообщения
1 753
Карма
71
Город
Астраханская обл. Астрахань
Имя
Владимир
Лодка
Казанка-М, Казанка-5
Мотор
Москва-М, Вихрь 25,30 Ветерок 8 75г. и Ветерок-12Р 95г. Suzuki DT15, Yamaha 40XWS
Всем привет! кто нибудь пробовал, видел или использует стеклопластиковые були? крепкие или нет?
 

you

старшина 1ст.
Регистрация
11.10.2015
Сообщения
89
Карма
30
Город
Северск, Томская область
Имя
Николай
Лодка
Казанка, Обь
Мотор
два весла
Привет всем. Хотел подшаманить свою казанку чуть-чуть (состояние было плачевным, друг уступил за недорого) да только "Остапа понесло". Покраска, стекло и т.д. Сделал були из обшивки МИГа (друзья подогнали два листа) правда они по 2 метра, делал выкройку 2.7 метра потом в пропорциях подогнал до 2 метров, получалась больше похожие как у Обь1, установил, вроде ничего смотрится, не знаю как будет вести себя на воде, но что сделано то сделано. Если кому интересны фотографии могу сделать.
Но суть вопроса не в этом.. Загорелся тоже поставит дистанционное управление. Погуглил, поискал, но ни где не нашел схемы установки ДУ на казанке МД. Понятно что руки и голова человеку даны не только чтобы одной в другую ложку засовывать, но я думаю лучше все-таки один раз увидеть, а потом думать, улучшать или оставить как есть. Обращаюсь, особенно к владельцам Казанки МД, может у кого есть схемы или может есть фотографии месть установки роликов (сколько вообще их надо и как крепятся), рулежки, прохода и крепления тросов и т.д. Может конечно я сильно заморачиваюсь :? ...готов к критике. :pardon:
 

saratovfest

капитан 3-го ранга
Регистрация
10.07.2012
Сообщения
912
Карма
323
Возраст
48
Город
Саратов
Имя
Вадим
Лодка
Казанка 5М3, Monterey-228
Мотор
Suzuki DT40WRS, Volvo-Penta 5.7GXI.V8
не могу сделать фото ибо Казанка-М за консервирована на лодочной базе до весны,понимаете...
но в двух словах : роликов для руля нужно 4.
два спереди два сзади по углам.

нужно ещё два талрепа (резьбовые стяжки) и два аммортизатора на каждый тросик не посредственно перед креплением к мотору,

сам руль и барабан и рулевой вал,подойдёт от Прогресс,
ничего там сложного нет- даже на казанке- м есть в бортах отверстия через которые пропускаются все эти троса.


на моей троса реверса шли изначально по днищу,Лодка- год выпуска 1973,
под них ещё доп. ролики
которые срезались и реверс пускался по бортам)
 
Последнее редактирование:

you

старшина 1ст.
Регистрация
11.10.2015
Сообщения
89
Карма
30
Город
Северск, Томская область
Имя
Николай
Лодка
Казанка, Обь
Мотор
два весла
Вадим, спасибо за информацию. Еще такой момент.. на реверс хочу поставить импортный трос 15 ft - нормально будет?, а на газульку оставить наш советский, не знаю хватает ли импортного для полного газа и не будет ли он мешать при поворотах (корма тесная), с рулевой я и решил поставить советскую, т.к. мне кажется что импортная трудно реализуема на Казанках. Ходить планирую под Нептуном.
 

PERSEY03051983

ст. мичман
Регистрация
03.09.2015
Сообщения
180
Карма
10
Город
Астрахань
Имя
Дмитрий
Лодка
Казанка-М
Мотор
Нептун-23
Парни, а что если по бортам внутри лодки от начала до конца по длине и сверху до низу по высоте пластмассовые пятилитровые канистры на делать из под тосола например или масла, можно прикрыть чем-нибуть для эстетичного вида, а можно так оставить...и баки плавучести (всё лучше будет чем воошпе ничего), и вырезать боковину в какой-нибудь канистры и получится бардачёк... По всей лодке можно таких бардачков наделать, без фанатизма конечно, два-три и хорош... Я свою казанку делаю, думаю в будущем так сделать... Выношу на суд водномоторников такую версию оборудования казанки (метлы) баками плавучести... Жду Ваши предложения, критику, корректировку версии, плюсы-минусы и т.д и т.п.
 

atelas

старшина 2ст.
Регистрация
30.01.2016
Сообщения
73
Карма
10
Город
Самара
Имя
atelas
Лодка
Казанка М
Мотор
SUZUKI DF20А
vovan944 сказал(а):
Решил оставить свою лодку...просто бывает у меня зимнее обострение и хочется сменить лодку....вот и присматривал...НО вроде прошло, оставлю свою. заплатки решил перенести во внутрь лодки (есть подозрение что именно из-за них она не едет больше 39 км.ч) поставлю стекло и дистанцию.

Возник еще вопрос кто нибудь пробовал или использует стеклопластиковые були? крепкие или нет?

Такое стекло хочу поставить (фото взято с сайта lodka44.ru)
Всем приветы. Тоже хочу заказать тент и стекло с лодки 44. Вы себе поставили ? У кого тент стоит на метле ? Как в эксплуатации ? Удобно?
 

DANTIST

старшина 2ст.
Регистрация
30.11.2015
Сообщения
50
Карма
0
Город
Волгоград
Имя
Ярослав
Лодка
казанка м
Мотор
Tohatsu 9.8
atelas сказал(а):
Вот такой тент и стекло хочу. Кто ставил?
Смотрится конечно хорошо, и как раз под румпель, но мне не нравиться что в сложанном состоянии он лежит в носу у стекла, не красиво как то!
P.S. У меня такого нет, я видел на фото как он складывается!
 

DANTIST

старшина 2ст.
Регистрация
30.11.2015
Сообщения
50
Карма
0
Город
Волгоград
Имя
Ярослав
Лодка
казанка м
Мотор
Tohatsu 9.8
saratovfest сказал(а):
пройдет по любой волне ,но только носом на волну. она длинная... если останетесь посредине Волги и неуправляе ые- п..ц.
а так носом на волну и держать курс-ни хрена ей не будет.прогрессы тонули,а метла шла . проверено))
А видео в ютубе нет? Обзор сделай и скинь! Плиз! Интересно очень!!!!
 

с494

капитан 1-го ранга
Регистрация
14.03.2010
Сообщения
3 943
Карма
787
Город
Саратов
Имя
Юрий
Лодка
Сейчас Прогресс 4
Мотор
Сейчас Джоник 50(70) 3цил
saratovfest сказал(а):
с494 сказал(а):
Гермоотсека, герметичной носовки Прогресса и водонепроницаемых переборок мало? Так у него ещё пенопласт под сидениями.
Юрий,Приветствую.
непонятно
какие переборки и пенопласт
в лучшем случае
стандартный не тюнингованый Прогресс с мотором и родным носовым отсеком плавучести
будет торчать свечкой 15 минут.
а так вообще он уходит на глубину...
Вы пробововали топить прогресс?
я пробовал топить метлу с мешком песка вместо мотора ,
затопленная метла выдержала 1час 50минут на ровном киле.
и как то присутствовал при топке прогресса 4 с 30вихрём...
Не, не пробовал.
Инструкция на Прогресс.
270+640+54+54 =1018см3
Еле посчитал. Куб!!! И четыре отдельных отсека, продырявишь ли все одновременно?
 

Вложения

вЯчЕславович

капитан 1-го ранга
Регистрация
23.08.2013
Сообщения
5 636
Карма
890
Возраст
61
Город
Старая Русса
Имя
Александр
Лодка
есть
Мотор
есть
PERSEY03051983 сказал(а):
Парни, а что если по бортам внутри лодки от начала до конца по длине и сверху до низу по высоте пластмассовые пятилитровые канистры на делать из под тосола например или масла, можно прикрыть чем-нибуть для эстетичного вида, а можно так оставить...и баки плавучести (всё лучше будет чем воошпе ничего), и вырезать боковину в какой-нибудь канистры и получится бардачёк... По всей лодке можно таких бардачков наделать, без фанатизма конечно, два-три и хорош... Я свою казанку делаю, думаю в будущем так сделать... Выношу на суд водномоторников такую версию оборудования казанки (метлы) баками плавучести... Жду Ваши предложения, критику, корректировку версии, плюсы-минусы и т.д и т.п.

Ваше предложение очень нужное для именно казы-метлы..Конструктора лодки придумали "крылья" только из за соображений непотопляимости и безопасности.
Мне в молодые годы три раза приходилось из под воды свою "метёлку"доставать.
Ну такая лодка,по речкам лазать-хорошо,а где посерьёзнее там....Попутная волна в корму-топит сразу,вдвоём у борта встал-оверкиль и много ньюансов ещё..
Но по остальным качествам-лодка для рыбалки и охоты самое то!
Если проложите борта "чем то",да и зашьёте красиво-будет и комфортно и полезно даже очень.
Делайте,сделанное фотните и покажите!
 

с494

капитан 1-го ранга
Регистрация
14.03.2010
Сообщения
3 943
Карма
787
Город
Саратов
Имя
Юрий
Лодка
Сейчас Прогресс 4
Мотор
Сейчас Джоник 50(70) 3цил
PERSEY03051983 сказал(а):
Парни, а что если по бортам внутри лодки от начала до конца по длине и сверху до низу по высоте пластмассовые пятилитровые канистры на делать из под тосола например или масла, можно прикрыть чем-нибуть для эстетичного вида, а можно так оставить...и баки плавучести (всё лучше будет чем воошпе ничего), и вырезать боковину в какой-нибудь канистры и получится бардачёк... По всей лодке можно таких бардачков наделать, без фанатизма конечно, два-три и хорош... Я свою казанку делаю, думаю в будущем так сделать... Выношу на суд водномоторников такую версию оборудования казанки (метлы) баками плавучести... Жду Ваши предложения, критику, корректировку версии, плюсы-минусы и т.д и т.п.
====

Положи вдоль бортов не канистры, а пенопласт, а в нём ниши из канистр 3литровых.
Огромный минус гермоотсеков то, что они под водой сжимаются от давления воды. Поэтому они должны быть из твёрдого крепкого материала.
Друг на Амуре-М цепанул пенёк и вырвал руль с частью задней стенки.
Амур затонул. Не сразу, но затонул. На 3метрах.
На другой день достали, родные баки непотопляемости в моторном отсеке сплющились.
 

atelas

старшина 2ст.
Регистрация
30.01.2016
Сообщения
73
Карма
10
Город
Самара
Имя
atelas
Лодка
Казанка М
Мотор
SUZUKI DF20А
DANTIST сказал(а):
atelas сказал(а):
Вот такой тент и стекло хочу. Кто ставил?
Смотрится конечно хорошо, и как раз под румпель, но мне не нравиться что в сложанном состоянии он лежит в носу у стекла, не красиво как то!
P.S. У меня такого нет, я видел на фото как он складывается!
Я вот тоже в раздумьях. Поставить не проблема. Но как это будет на практике. Просто боюсь что не очень удобно.
 

shkiper

капитан 2-го ранга
Регистрация
17.11.2014
Сообщения
1 490
Карма
100
Возраст
62
Город
г Херсон
Имя
андрей
Лодка
неман 2
Мотор
Parsun F20bms
из советских лучшая дистанка "МОСКВА"но под импортные троса С-2.ИЗ ИМПОРТ-ULTRAFLEX B-49(самая простая и дешевая..........
 

баянист

старшина 2ст.
Регистрация
11.02.2016
Сообщения
65
Карма
7
Возраст
45
Город
Чапаевск Самарская область
Имя
Роман
Лодка
Казанка "метла"
Мотор
Москва 25А,Вихрь 25(будь проклят тот день....),Нептун 23.
Доброго времени суток водномоторникам! Сбылась мечта идиота))) Купил Н-23. Жду его аж из северной столицы!
Имеется две машинки: Вихрёвская,с двумя рычагами и Калужская,она же от Москвы,с одним рычагом.
Какая из машинок более удобна и приемлема для Нептуна на "казе-метле"?
Если с вихрёвской ещё более-менее всё понятно,то принцип работы калужского механизма просто весь мозг мне сломал. Здесь на форуме уже стыдно спрашивать.Мне б посмотреть-пощупать,тогда бы разобрался.
Жду Ваших советов.
 

lednic606

вице-адмирал
Команда форума
Регистрация
25.04.2011
Сообщения
18 866
Карма
908
Город
Саратов
Имя
Дмитрий
Лодка
Нептун-3,Прогресс-2,2М, Сарепта(были) ,Орионбот 53НТ Pro, АКВА ОПТИМА 260(есть).
Мотор
Вихрь М; Honda BF90; Honda BF2

Вложения

  • 33,4 КБ Просмотры: 1 379

shkiper

капитан 2-го ранга
Регистрация
17.11.2014
Сообщения
1 490
Карма
100
Возраст
62
Город
г Херсон
Имя
андрей
Лодка
неман 2
Мотор
Parsun F20bms
калужку тяжело настроить и на газ и на реверс.троса вообще гавно жесткая пластмасса лопается,сердечник ржавеет и не ходит...................
 

lednic606

вице-адмирал
Команда форума
Регистрация
25.04.2011
Сообщения
18 866
Карма
908
Город
Саратов
Имя
Дмитрий
Лодка
Нептун-3,Прогресс-2,2М, Сарепта(были) ,Орионбот 53НТ Pro, АКВА ОПТИМА 260(есть).
Мотор
Вихрь М; Honda BF90; Honda BF2
shkiper сказал(а):
калужку тяжело настроить и на газ и на реверс.троса вообще гавно жесткая пластмасса лопается,сердечник ржавеет и не ходит...................
С тросами С2 проблем с настройкой и работой - "0" целых "хрен" десятых :yes: ...Кирилл(Kira) гоняет свой СиПро(суть Ямаха-40) уже лет 8 с Калужской ДУшкой... и ничё :pardon:
 

баянист

старшина 2ст.
Регистрация
11.02.2016
Сообщения
65
Карма
7
Возраст
45
Город
Чапаевск Самарская область
Имя
Роман
Лодка
Казанка "метла"
Мотор
Москва 25А,Вихрь 25(будь проклят тот день....),Нептун 23.
Спасибо за ответы и советы мужики. Принято решение спаривать вихрёвскую машинку двухрычажную и Нептун. Что то не смог пока найти информацию,как подружить механизм переключения реверса,который на моторе,вихрёвский с нептуном.
 

lednic606

вице-адмирал
Команда форума
Регистрация
25.04.2011
Сообщения
18 866
Карма
908
Город
Саратов
Имя
Дмитрий
Лодка
Нептун-3,Прогресс-2,2М, Сарепта(были) ,Орионбот 53НТ Pro, АКВА ОПТИМА 260(есть).
Мотор
Вихрь М; Honda BF90; Honda BF2
баянист сказал(а):
...Что то не смог пока найти информацию,как подружить механизм переключения реверса,который на моторе,вихрёвский с нептуном.
Пользуйся topic6513.html ;)
 

DANTIST

старшина 2ст.
Регистрация
30.11.2015
Сообщения
50
Карма
0
Город
Волгоград
Имя
Ярослав
Лодка
казанка м
Мотор
Tohatsu 9.8
Всем привет! Кто подскажет, у меня мотор меркури 15м мультирумпель, вот если ставить дистанцию какую машинку надо? Спасибо!
 

lednic606

вице-адмирал
Команда форума
Регистрация
25.04.2011
Сообщения
18 866
Карма
908
Город
Саратов
Имя
Дмитрий
Лодка
Нептун-3,Прогресс-2,2М, Сарепта(были) ,Орионбот 53НТ Pro, АКВА ОПТИМА 260(есть).
Мотор
Вихрь М; Honda BF90; Honda BF2
DANTIST сказал(а):
Всем привет! Кто подскажет, у меня мотор меркури 15м мультирумпель, вот если ставить дистанцию какую машинку надо? Спасибо!
Машинку какая нравится - ту и бери :yes: ...

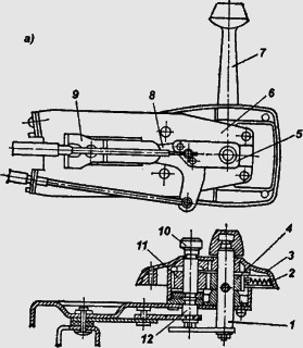
Вот глянь, на твоего ДУшка поставлена? ;)

 

баянист

старшина 2ст.
Регистрация
11.02.2016
Сообщения
65
Карма
7
Возраст
45
Город
Чапаевск Самарская область
Имя
Роман
Лодка
Казанка "метла"
Мотор
Москва 25А,Вихрь 25(будь проклят тот день....),Нептун 23.
Доброго дня коллеги! Так как решился вопрос с ДУ?
 

lde9

пассажир
Регистрация
09.03.2017
Сообщения
4
Карма
0
Город
п. Проточный
Имя
Ефимыч
Лодка
Прогресс 2М
Мотор
Вихрь 30
Добрый день капитаны! Купил мотор вихрь 30. Хочу в будущем поставить его на казанку м. Лодки пока нет, но планируется использовать импортное рулевое (рулевой редуктор, рулевой трос) и ду. Посему вопросы:
  1. Какой длины рулевой трос использовать (руль слева) 14"?
  2. Как поженить вихрь с импортным рулевым, какие приспособы нужно изготовить? Рылся, рылся в нете - ниче толком не нашёл. Поэтому, если можно подробнее с чертежами и фото. Буду особо благодарен.
  3. По поводу ду: какая машинка пойдёт импортная недорогая? Какие троса (газ, реверс) и сколько? И самое главное как реализовать подключение к мотору, чтобы все работало?
Камнями прошу не закидывать. Опыта мало. На румпеле ходил пару раз, права уже 4 года лежат, есть лодка прогресс 2м, но тяжеловата она, потому и хочу казанку именно под дистанцию, чтобы возить жопу свою (и не только) из пункта А в пункт Б (72км). Буду очень благодарен за ваши ответы, советы и пожелания! Спасибо!
 
Вверх Снизу