Немец83

старшина 1ст.
Регистрация
21.11.2016
Сообщения
99
Карма
9
Возраст
42
Город
Германия
Имя
Александр
Лодка
Ибис 2 ГДР
Мотор
Johnson 8 HJ8FREDC, Johnson 5 J5RSSA
Всем доброго времени суток!
Мой знакомый занимается тюнингом двухтактных пятнашек, его моторы крутятся до 10000об/мин! Но оригинальные комутаторы не работают на таких оборотах!
Есть ли возможность собрать систему зажигания для таких оборотов?
Заранее спасибо за информацию!
Всем добра!!!!
 

lednic606

вице-адмирал
Команда форума
Регистрация
25.04.2011
Сообщения
18 866
Карма
911
Город
Саратов
Имя
Дмитрий
Лодка
Нептун-3,Прогресс-2,2М, Сарепта(были) ,Орионбот 53НТ Pro, АКВА ОПТИМА 260(есть).
Мотор
Вихрь М; Honda BF90; Honda BF2
Саш, эт тебе к Лёше Дарьину в ЛС стучатся надо member4046.html ;)
 

raczekp1

старшина 2ст.
Регистрация
22.11.2016
Сообщения
66
Карма
4
Город
Hajnówka
Имя
Piotr
Лодка
bark
Мотор
evinrude johnson
johnson evinrud 15 KM zaprojektowan do 6000-6500 obr/min.
est nikotoryje do 7000 obr/min ale nie nikogda do 10.000 obr/min
 

Немец83

старшина 1ст.
Регистрация
21.11.2016
Сообщения
99
Карма
9
Возраст
42
Город
Германия
Имя
Александр
Лодка
Ибис 2 ГДР
Мотор
Johnson 8 HJ8FREDC, Johnson 5 J5RSSA
raczekp1 сказал(а):
johnson evinrud 15 KM zaprojektowan do 6000-6500 obr/min.
est nikotoryje do 7000 obr/min ale nie nikogda do 10.000 obr/min
Они устанавливаю карбоновые клапана и сверлят карбюратор плюс УОЗ! Но это не важно, задача собрать зажигание на этот мотор которое будет отлично работать на высоких оборотах
Как-то так
 

Немец83

старшина 1ст.
Регистрация
21.11.2016
Сообщения
99
Карма
9
Возраст
42
Город
Германия
Имя
Александр
Лодка
Ибис 2 ГДР
Мотор
Johnson 8 HJ8FREDC, Johnson 5 J5RSSA

МоторНик

старшина 1ст.
Регистрация
30.10.2016
Сообщения
90
Карма
3
Город
Великий Новгород
Имя
Александр
Лодка
отсутствует
Мотор
отсутствует
это всё хорошо, но Вы втрое снижаете ресурс двигателя и плюс к этому велика вероятность однажды не дойти до дома в связи с полным сталинградом двигателя. поверьте, как выжать из пятьнашки тридцать сил я знаю, но никому не советую - это спорт тюнинг со всеми вытекающими последствиями.
 

Немец83

старшина 1ст.
Регистрация
21.11.2016
Сообщения
99
Карма
9
Возраст
42
Город
Германия
Имя
Александр
Лодка
Ибис 2 ГДР
Мотор
Johnson 8 HJ8FREDC, Johnson 5 J5RSSA
МоторНик сказал(а):
это всё хорошо, но Вы втрое снижаете ресурс двигателя и плюс к этому велика вероятность однажды не дойти до дома в связи с полным сталинградом двигателя. поверьте, как выжать из пятьнашки тридцать сил я знаю, но никому не советую - это спорт тюнинг со всеми вытекающими последствиями.
Вот именно! Это спорт, он выступает на любительских соревнованиях и головы отлетают только так! Потом это опять ремонтируется и снова в бой!!!!!!!!
Но задача заключается не в том как добавить мощности и сохранить ресурс! Нам нужно зажигание.
Вот есть схема помоему от Овчинникова
 

Вложения

макс н и

ст. лейтенант
Регистрация
24.10.2015
Сообщения
300
Карма
4
Возраст
40
Город
СПБ
Имя
максим
Лодка
Групер 380
Мотор
Эвинруд 6, Москва 10,Крайслер 9.9
у меня крайслер 9.9 крутит 7260 оборотов.а по книжке 5600 должен крутится.но до ремонта мотора он не развивал такие обороты.а как весь его перетряхнул начал выдавать. Зажигание электронное от Алексея Самоделкина.
 

Немец83

старшина 1ст.
Регистрация
21.11.2016
Сообщения
99
Карма
9
Возраст
42
Город
Германия
Имя
Александр
Лодка
Ибис 2 ГДР
Мотор
Johnson 8 HJ8FREDC, Johnson 5 J5RSSA
макс н и сказал(а):
у меня крайслер 9.9 крутит 7260 оборотов.а по книжке 5600 должен крутится.но до ремонта мотора он не развивал такие обороты.а как весь его перетряхнул начал выдавать. Зажигание электронное от Алексея Самоделкина.
Привет
Хотелось бы узнать где найти эту схему , ссылку или фото
Заранее благодарен
 

макс н и

ст. лейтенант
Регистрация
24.10.2015
Сообщения
300
Карма
4
Возраст
40
Город
СПБ
Имя
максим
Лодка
Групер 380
Мотор
Эвинруд 6, Москва 10,Крайслер 9.9
Немец83 сказал(а):
макс н и сказал(а):
у меня крайслер 9.9 крутит 7260 оборотов.а по книжке 5600 должен крутится.но до ремонта мотора он не развивал такие обороты.а как весь его перетряхнул начал выдавать. Зажигание электронное от Алексея Самоделкина.
Привет
Хотелось бы узнать где найти эту схему , ссылку или фото
Заранее благодарен
схему я не знаю. но человек тут есть кто это делает. Алексей Овчиников.почитай тему про джонсон 6 сил. там есть его сообщения.
 

Немец83

старшина 1ст.
Регистрация
21.11.2016
Сообщения
99
Карма
9
Возраст
42
Город
Германия
Имя
Александр
Лодка
Ибис 2 ГДР
Мотор
Johnson 8 HJ8FREDC, Johnson 5 J5RSSA
макс н и сказал(а):
Немец83 сказал(а):
макс н и сказал(а):
у меня крайслер 9.9 крутит 7260 оборотов.а по книжке 5600 должен крутится.но до ремонта мотора он не развивал такие обороты.а как весь его перетряхнул начал выдавать. Зажигание электронное от Алексея Самоделкина.
Привет
Хотелось бы узнать где найти эту схему , ссылку или фото
Заранее благодарен
схему я не знаю. но человек тут есть кто это делает. Алексей Овчиников.почитай тему про джонсон 6 сил. там есть его сообщения.
Благодарствую!
 

Немец83

старшина 1ст.
Регистрация
21.11.2016
Сообщения
99
Карма
9
Возраст
42
Город
Германия
Имя
Александр
Лодка
Ибис 2 ГДР
Мотор
Johnson 8 HJ8FREDC, Johnson 5 J5RSSA
макс н и сказал(а):
Немец83 сказал(а):
макс н и сказал(а):
у меня крайслер 9.9 крутит 7260 оборотов.а по книжке 5600 должен крутится.но до ремонта мотора он не развивал такие обороты.а как весь его перетряхнул начал выдавать. Зажигание электронное от Алексея Самоделкина.
Привет
Хотелось бы узнать где найти эту схему , ссылку или фото
Заранее благодарен
схему я не знаю. но человек тут есть кто это делает. Алексей Овчиников.почитай тему про джонсон 6 сил. там есть его сообщения.
По этой схеме собирал?
 

Вложения

танкист

капитан 1-го ранга
Регистрация
15.11.2014
Сообщения
12 411
Карма
3 907
Город
г. Пермь
Имя
Андрей
Лодка
Прогресс-4
Мотор
Нептун-23 Вихрь-25 Вихрь-30 Ветерок-8М Johnson-60
Немец83 сказал(а):
По этой схеме собирал?
Эта схема не будет работать до 10000. На спорты идут свои схемы и датчики, как правило и магнитная система идет своя. Из стандартного ряда надо смотреть опять же на мотоциклы, их зажигалки работают вполне замечательно до 15000. (не все)
 

макс н и

ст. лейтенант
Регистрация
24.10.2015
Сообщения
300
Карма
4
Возраст
40
Город
СПБ
Имя
максим
Лодка
Групер 380
Мотор
Эвинруд 6, Москва 10,Крайслер 9.9
Немец83 сказал(а):
макс н и сказал(а):
Немец83 сказал(а):
макс н и сказал(а):
у меня крайслер 9.9 крутит 7260 оборотов.а по книжке 5600 должен крутится.но до ремонта мотора он не развивал такие обороты.а как весь его перетряхнул начал выдавать. Зажигание электронное от Алексея Самоделкина.
Привет
Хотелось бы узнать где найти эту схему , ссылку или фото
Заранее благодарен
схему я не знаю. но человек тут есть кто это делает. Алексей Овчиников.почитай тему про джонсон 6 сил. там есть его сообщения.
По этой схеме собирал?
я сам не собирал ни чего. зажигание стояло на моторе.я только весь мотор разобрал до винтика почистил поменял фильтра на перекачки топлива бенз,мембрану и все собрал.засорять тему не буду крайслером. Так как тема про дона и эвина.
 

Вложения

макс н и

ст. лейтенант
Регистрация
24.10.2015
Сообщения
300
Карма
4
Возраст
40
Город
СПБ
Имя
максим
Лодка
Групер 380
Мотор
Эвинруд 6, Москва 10,Крайслер 9.9
по началу он не выдавал таких оборотов,начал после того как я его весь перебрал.но шальдику он 9.9 а теперь по оборотам он получается 15 сил.как то так. а зажигание обычное двух кональное.
 

Немец83

старшина 1ст.
Регистрация
21.11.2016
Сообщения
99
Карма
9
Возраст
42
Город
Германия
Имя
Александр
Лодка
Ибис 2 ГДР
Мотор
Johnson 8 HJ8FREDC, Johnson 5 J5RSSA
танкист сказал(а):
Немец83 сказал(а):
По этой схеме собирал?
Эта схема не будет работать до 10000. На спорты идут свои схемы и датчики, как правило и магнитная система идет своя. Из стандартного ряда надо смотреть опять же на мотоциклы, их зажигалки работают вполне замечательно до 15000. (не все)

Привет Андрей
Получается что надо сделать примерно такое же зажигание как и на мой четырех тактный джонсон, 8 с датчиком "холла " и CDI от мопеда ?

Вот фото оригинальной зажигалки
 

Вложения

танкист

капитан 1-го ранга
Регистрация
15.11.2014
Сообщения
12 411
Карма
3 907
Город
г. Пермь
Имя
Андрей
Лодка
Прогресс-4
Мотор
Нептун-23 Вихрь-25 Вихрь-30 Ветерок-8М Johnson-60
Немец83 сказал(а):
Привет Андрей
Получается что надо сделать примерно такое же зажигание как и на мой четырех тактный джонсон, 8 с датчиком "холла " и CDI от мопеда ?

Вот фото оригинальной зажигалки
Не всё так просто. Что бы обеспечить заряд конденсатора на высоких оборотах, нужен кольцевой магнитопровод (звезда) и 2-3 импульса за пол-оборота маховика. Именно так сделано на генераторах мотоциклов.
Соответственно и накопительных катушек нужно две- и так далее.
Когда я упомянул мотоциклы я имел ввиду принцип работы их зажигания.
То есть схема сама по себе ни чего не решает. Решает всё магнитная система и её конкретные характеристики под конкретные обороты мотора.
Именно по этой причине раскрутить до 10000 ту самую пятнашку на штатной системе зажигания и не получается.
Думаю есть смысл попробовать ДС СДИ и датчик на поворотном основании. А лучше АС СДИ- это избавит от хлопот с АКБ.
Такой вариант вполне способен обеспечить искрой мотор до 10000 оборотов и выше.
 

Motorix

капитан 2-го ранга
Регистрация
16.11.2010
Сообщения
1 127
Карма
131
Лодка
Южанка
Мотор
Мерк 15, Вихрь 25, Нептун 23
танкист сказал(а):
А лучше АС СДИ- это избавит от хлопот с АКБ.
Такой вариант вполне способен обеспечить искрой мотор до 10000 оборотов и выше.
Андрей, Привет!
Это как на наших моторах что ли?
Какой материал нужен для магнитопровода, подскажешь? Любая электро техническая сталь?
 

МоторНик

старшина 1ст.
Регистрация
30.10.2016
Сообщения
90
Карма
3
Город
Великий Новгород
Имя
Александр
Лодка
отсутствует
Мотор
отсутствует
расскажу одну историю. как-то мой компаньон и друг с детства (с которым занимались картингом) приобрёл недорого мотик хускварна 125 с мёртвым блоком управления. новый блок по тем деньгам стоил около 14000 р. но мы поглядели и решили сделать на русский манер. датчик холла есть в стоке. значит надо приладить восьмёрочный коммутатор и катушку и всё поедет. так и сделали, но из-за ограниченности места некуда было приладить восьмую катушку. пробовали от скутера - слаба, от верховины лучше, но тоже не то. а потом друг привёз от ауди и сынуля, по старой привычке когда выехал и дал газ в пол, мотик уехал без него, а он подрал задницу об асфальт. мы ничего особенного не делали, по старой картинговой методе отстроили карб, чтобы не размазать поршень, настроили зажигание, чтобы не поиметь детонацию и дыру в поршне, и получили, по нашим прикидкам, вместо задушенных электроникой 15 сил, с прямым зажигание сил 30.
к чему это я, зачем городить какие-то зажигания, когда есть готовые. приварить на ротор маркеры, датчик холла восьмой коммутатор, катушку и в путь. только осторожнее с настройками, последствия будут страшными.
 

танкист

капитан 1-го ранга
Регистрация
15.11.2014
Сообщения
12 411
Карма
3 907
Город
г. Пермь
Имя
Андрей
Лодка
Прогресс-4
Мотор
Нептун-23 Вихрь-25 Вихрь-30 Ветерок-8М Johnson-60
Motorix сказал(а):
танкист сказал(а):
А лучше АС СДИ- это избавит от хлопот с АКБ.
Такой вариант вполне способен обеспечить искрой мотор до 10000 оборотов и выше.
Андрей, Привет!
Это как на наших моторах что ли?
Какой материал нужен для магнитопровода, подскажешь? Любая электро техническая сталь?
На наших моторах 2 импульса за пол-оборота есть только на ветерке и магнитопровод там полу-кольцо.
Сталь должна работать на частотах до 500-1000 герц. Какая именно подходит затрудняюсь ответить. Этот вопрос не изучал.
Кроме стали и количества импульсов надо катушки накопительные применять с малым количеством витков и толстым проводом.
Вся проблема то как раз в том что чем больше обороты тем больше реактивное (индуктивное) сопротивление в накопительной катушке, следовательно и на выходе напряжение падает.
И упасть оно может до уровня пропадания искры.
 

танкист

капитан 1-го ранга
Регистрация
15.11.2014
Сообщения
12 411
Карма
3 907
Город
г. Пермь
Имя
Андрей
Лодка
Прогресс-4
Мотор
Нептун-23 Вихрь-25 Вихрь-30 Ветерок-8М Johnson-60
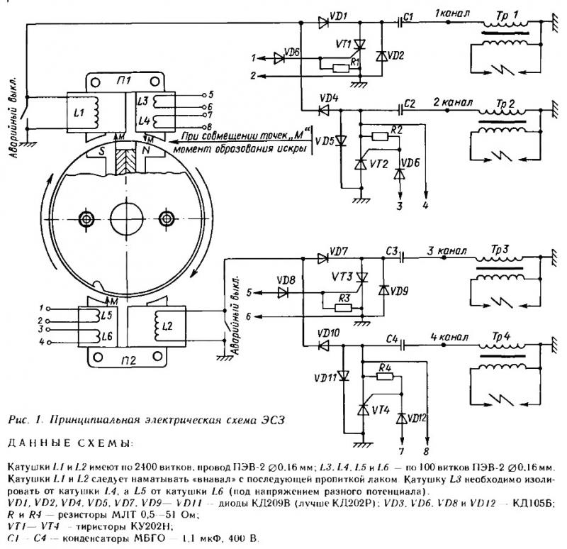
Долго вспоминал в каком из журналов КиЯ была опубликована схема с описанием работы на гоночный ПЛМ.
В общем нашел. Очень интересное техническое решение которое использует оба полупериода напряжения для заряда конденсаторов разных каналов.
Схема и магнитная система.



Как видим из данных на схему, накопительные катушки имеют малое количество витков и довольно толстый провод. Это обеспечивает необходимым током, заряд конденсаторов и снижает существенно реактивное (индуктивное) сопротивление на максимальных оборотах.

Это одно из условий для нормального заряда конденсаторов на полных оборотах. (10000-12000 работает данное зажигание) Естественно говорить о запуске с четверти оборота и малом холостом ходе с таким малым количеством витков не приходится, вряд ли на гоночных моторах холостой ход 900-1000 оборотов.

В общем повторю очередной раз избитую фразу- Чудес на свете не бывает и с физикой не поспоришь. В такой простой зажигалке не возможно получить всё- и сразу. Приходится неизбежно жертвовать малыми оборотами для корректной работы на больших, или наоборот- в нашем случае на моторах обычного потребителя. Хотя до 5000-6000 оборотов сделать простую зажигалку подобного типа с отличными характеристиками на всех оборотах на наших моторах с их старой магнитной системой это не проблема. А уж тем более не проблема на ино-моторах.

Описание работы зажигания и осциллограммы можно найти по ссылке на источник, ниже.
Добавлю что принцип работы этого зажигания очень схож с ПЛМ Ветерок, за исключением того что в зажигании Ветерка не используется отрицательный полупериод для заряда конденсатора.

Источник. Год: 1989. Номер журнала «Катера и Яхты»: 137
http://www.barque.ru/engine/1989/electr ... cing_motor
 

Вложения

Немец83

старшина 1ст.
Регистрация
21.11.2016
Сообщения
99
Карма
9
Возраст
42
Город
Германия
Имя
Александр
Лодка
Ибис 2 ГДР
Мотор
Johnson 8 HJ8FREDC, Johnson 5 J5RSSA
танкист сказал(а):
Долго вспоминал в каком из журналов КиЯ была опубликована схема с описанием работы на гоночный ПЛМ.
В общем нашел. Очень интересное техническое решение которое использует оба полупериода напряжения для заряда конденсаторов разных каналов.
Схема и магнитная система.



Как видим из данных на схему, накопительные катушки имеют малое количество витков и довольно толстый провод. Это обеспечивает необходимым током, заряд конденсаторов и снижает существенно реактивное (индуктивное) сопротивление на максимальных оборотах.

Это одно из условий для нормального заряда конденсаторов на полных оборотах. (10000-12000 работает данное зажигание) Естественно говорить о запуске с четверти оборота и малом холостом ходе с таким малым количеством витков не приходится, вряд ли на гоночных моторах холостой ход 900-1000 оборотов.

В общем повторю очередной раз избитую фразу- Чудес на свете не бывает и с физикой не поспоришь. В такой простой зажигалке не возможно получить всё- и сразу. Приходится неизбежно жертвовать малыми оборотами для корректной работы на больших, или наоборот- в нашем случае на моторах обычного потребителя. Хотя до 5000-6000 оборотов сделать простую зажигалку подобного типа с отличными характеристиками на всех оборотах на наших моторах с их старой магнитной системой это не проблема. А уж тем более не проблема на ино-моторах.

Описание работы зажигания и осциллограммы можно найти по ссылке на источник, ниже.
Добавлю что принцип работы этого зажигания очень схож с ПЛМ Ветерок, за исключением того что в зажигании Ветерка не используется отрицательный полупериод для заряда конденсатора.

Источник. Год: 1989. Номер журнала «Катера и Яхты»: 137
http://www.barque.ru/engine/1989/electr ... cing_motor
Привет
В моем случае на месте датчика (белый) должна быть зарядная катушка, а на месте катушки должен быть датчик , и всё это на одном магнитопроводое? ?
 

Немец83

старшина 1ст.
Регистрация
21.11.2016
Сообщения
99
Карма
9
Возраст
42
Город
Германия
Имя
Александр
Лодка
Ибис 2 ГДР
Мотор
Johnson 8 HJ8FREDC, Johnson 5 J5RSSA
Примерно вот так?
 

Вложения

танкист

капитан 1-го ранга
Регистрация
15.11.2014
Сообщения
12 411
Карма
3 907
Город
г. Пермь
Имя
Андрей
Лодка
Прогресс-4
Мотор
Нептун-23 Вихрь-25 Вихрь-30 Ветерок-8М Johnson-60
Немец83 сказал(а):
Примерно вот так?
Привет, Александр! Твоя магнитная система, геометрия магнитов в частности, не позволит сделать зажигание с полноценным зарядом обоими полупериодами, конденсатора. До 5000-7000 такое зажигание будет работать, выше уже с него получить нормальные характеристики вряд ли получится.
Тут однозначно надо идти другим путем. Нужен внешний источник заряда конденсатора, АС СДИ ДС СДИ.
 
Вверх Снизу