NIGGER-86RUS

гл. старшина
Регистрация
03.09.2015
Сообщения
101
Карма
3
Возраст
40
Город
ХМАО Октябрьское
Имя
Дмитрий
Лодка
Казанка 5м3
Мотор
Меркурий 60 elpt efi
Господо подскажите как подключить тахометр к меркурию 60 2т.. тах без колодке. Что куда подключать ...???
 

Kep

капитан 1-го ранга
Регистрация
11.03.2015
Сообщения
1 509
Карма
217
Город
Самара
Имя
Владимир
Лодка
Нептун 470 open
Мотор
Yamaha 60 CETL
Фото выложи, что там за зверь такой
 

NIGGER-86RUS

гл. старшина
Регистрация
03.09.2015
Сообщения
101
Карма
3
Возраст
40
Город
ХМАО Октябрьское
Имя
Дмитрий
Лодка
Казанка 5м3
Мотор
Меркурий 60 elpt efi
зверь обычный расскажите где плюс минус сигнал какие цвета на машинке а там уж сам разберусь
 

Бешенный

капитан 1-го ранга
Регистрация
08.12.2010
Сообщения
2 664
Карма
237
Возраст
60
Город
Волгоградская обл Светлый Яр
Имя
Владимир Валерьевич
Лодка
Две самоделки, Профмарин340, Малютка.
Мотор
Ветерок 8, 12, Прибой, Салют, Гибрид, Москва 12,5, 30, Нептун, Волгарь, Вихрь М, 30
NIGGER-86RUS сказал(а):
зверь обычный расскажите где плюс минус сигнал какие цвета на машинке а там уж сам разберусь
Писец. Звучит примерно так. Достались трусы, неизвестно чьи, То ли мужские, то ли женские. Размер неизвестен. Где перед, где зад х,з. Расскажите как надеть , а потом я уж сам справлюсь. :lol:
 

Тугарин

капитан 1-го ранга
Регистрация
08.03.2015
Сообщения
26 470
Карма
1 670
Возраст
45
Город
Саратов - Рай
Имя
Александр сын Сергея
Лодка
П2, К, К5м, К5м4, К2м, Амур-д, ПрофМарин 350 нднд было, Обь-м НТ, ямаран т330, гулянка есть
Мотор
Ямахa 2, Вихрь 25,30, HDX T5, Меркурий 50ЕО, джонсон 70 было. Джонсон 15, Ямаха F25AEHT, Вихрь 30 есть
Всё По феншую "аборт по телефону"!
 

Тугарин

капитан 1-го ранга
Регистрация
08.03.2015
Сообщения
26 470
Карма
1 670
Возраст
45
Город
Саратов - Рай
Имя
Александр сын Сергея
Лодка
П2, К, К5м, К5м4, К2м, Амур-д, ПрофМарин 350 нднд было, Обь-м НТ, ямаран т330, гулянка есть
Мотор
Ямахa 2, Вихрь 25,30, HDX T5, Меркурий 50ЕО, джонсон 70 было. Джонсон 15, Ямаха F25AEHT, Вихрь 30 есть
:pardon:
 

луха

капитан 1-го ранга
Регистрация
13.07.2010
Сообщения
11 013
Карма
4 806
Возраст
50
Город
Волжский-Волгоград
Имя
Алексей
Лодка
Снегоход
Мотор
быстрый
GRD- минус SIG- импульс с генератора LT- подсветка плюс не помню,но полюбому оставшийся.
 

NIGGER-86RUS

гл. старшина
Регистрация
03.09.2015
Сообщения
101
Карма
3
Возраст
40
Город
ХМАО Октябрьское
Имя
Дмитрий
Лодка
Казанка 5м3
Мотор
Меркурий 60 elpt efi
Бешенный сказал(а):
NIGGER-86RUS сказал(а):
зверь обычный расскажите где плюс минус сигнал какие цвета на машинке а там уж сам разберусь
Писец. Звучит примерно так. Достались трусы, неизвестно чьи, То ли мужские, то ли женские. Размер неизвестен. Где перед, где зад х,з. Расскажите как надеть , а потом я уж сам справлюсь. :lol:
не нужно знать где на меркуриевской фишке провод сигнала и плюса... При чем тут трусы
 

timontiy

капитан-лейтенант
Регистрация
01.08.2016
Сообщения
372
Карма
99
Возраст
44
Город
Екатеринбург
Имя
Тимофей
Лодка
Казанка 5М
Мотор
Mercury ME 40M Sea Pro
черный - минус, серый - сигнал тахометра, плюс найдете простой контролькой. вам это надо было? или вам фишка в жгуте от мотора до машинки нужна? поясните пожалуйста.
 

Вложения

NIGGER-86RUS

гл. старшина
Регистрация
03.09.2015
Сообщения
101
Карма
3
Возраст
40
Город
ХМАО Октябрьское
Имя
Дмитрий
Лодка
Казанка 5м3
Мотор
Меркурий 60 elpt efi
timontiy сказал(а):
черный - минус, серый - сигнал тахометра, плюс найдете простой контролькой. вам это надо было? или вам фишка в жгуте от мотора до машинки нужна? поясните пожалуйста.
Огромное спасибо это и нужно было....
 

NIGGER-86RUS

гл. старшина
Регистрация
03.09.2015
Сообщения
101
Карма
3
Возраст
40
Город
ХМАО Октябрьское
Имя
Дмитрий
Лодка
Казанка 5м3
Мотор
Меркурий 60 elpt efi
timontiy сказал(а):
черный - минус, серый - сигнал тахометра, плюс найдете простой контролькой. вам это надо было? или вам фишка в жгуте от мотора до машинки нужна? поясните пожалуйста.
А фиолетовый провод он на что идет???
 

Kep

капитан 1-го ранга
Регистрация
11.03.2015
Сообщения
1 509
Карма
217
Город
Самара
Имя
Владимир
Лодка
Нептун 470 open
Мотор
Yamaha 60 CETL
Дмитрий Вы по ссылке ходили? Там по полочкам разложено как подключить тахометр к мерку. Фиолетовый это + с замка. Серый это импульс, Черный масса(земля)
 

timontiy

капитан-лейтенант
Регистрация
01.08.2016
Сообщения
372
Карма
99
Возраст
44
Город
Екатеринбург
Имя
Тимофей
Лодка
Казанка 5М
Мотор
Mercury ME 40M Sea Pro
NIGGER-86RUS сказал(а):
А фиолетовый провод он на что идет???
фиолетовый является "+" и идет с ограничителя оборотов до разъема, с разъема до ключа, от ключа к "зумеру" (warning horn). Думаю что "+" постоянный после включения ключа, так как на "зумер" приходит минус от датчика масла и температурного датчика только после их срабатывания. Соответственно можно подключить "+" тахометра к фиолетовому проводу. Пусть поправит кто если я не прав. Я не уверен что на фиолетовом 12В. Повторюсь, плюс "вызвонить" не сложно.
 

Вложения

timontiy

капитан-лейтенант
Регистрация
01.08.2016
Сообщения
372
Карма
99
Возраст
44
Город
Екатеринбург
Имя
Тимофей
Лодка
Казанка 5М
Мотор
Mercury ME 40M Sea Pro
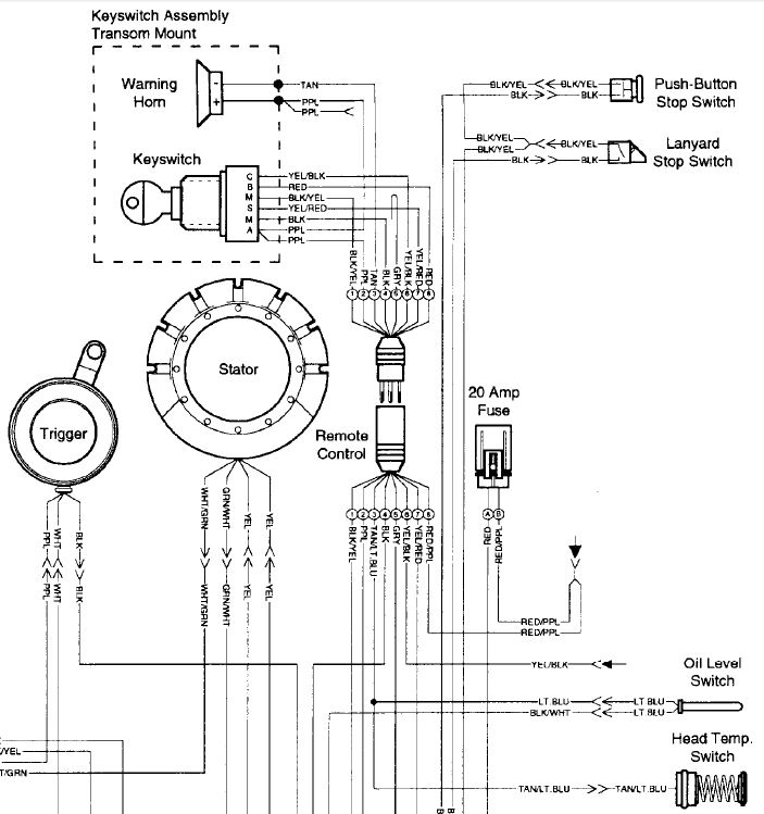
нашел схему подключения приборов. Kep был прав.
 

Вложения

СМВ

матрос
Регистрация
06.03.2017
Сообщения
19
Карма
0
Возраст
55
Город
г.Барнаул
Имя
Михаил
Лодка
Крым, пвх нднд Адмирал 340, пвх Навигатор 290
Мотор
Меркури F25 E EFI, Сузуки 9,9 АС, Ямаха 5
Не могу разобраться в проводах на колодке плм Меркури F25 E EFI для подключения тахометра KUS с индикаторами аварийной сигнализации и счетчиком моточасов. Инструкция к тахометру есть по проводам все понятно, а вот на колодке по цветам не могу инфу найти. Помогите чем можете.... Заранее благодарен
 

Вложения

Kep

капитан 1-го ранга
Регистрация
11.03.2015
Сообщения
1 509
Карма
217
Город
Самара
Имя
Владимир
Лодка
Нептун 470 open
Мотор
Yamaha 60 CETL
Можно еще немного информации. !. Какая модель тахометра? Что на фото что за колодка?
 

СМВ

матрос
Регистрация
06.03.2017
Сообщения
19
Карма
0
Возраст
55
Город
г.Барнаул
Имя
Михаил
Лодка
Крым, пвх нднд Адмирал 340, пвх Навигатор 290
Мотор
Меркури F25 E EFI, Сузуки 9,9 АС, Ямаха 5
колодка на коротком жгуте от машинки газ-реверс. по модели цифрового обозначения нет. картинки прилагаю.
 

timontiy

капитан-лейтенант
Регистрация
01.08.2016
Сообщения
372
Карма
99
Возраст
44
Город
Екатеринбург
Имя
Тимофей
Лодка
Казанка 5М
Мотор
Mercury ME 40M Sea Pro
сигнал тахометра - серый
фиолетовый - плюс
черный - минус
картинки вы очень мелкие прикрепили, что он должен сигнализировать, мне не ясно, но думаю это бежевый провод с синей полосой, по крайне мере на 2Т этот провод на минус зуммера идет.
если нужен сигнал высокой температуры или малого количества масла, то бежевый с синей полосой то, что вам нужно.
по давлению масла и чек энджину не подскажу. ищите мануал.
вот нашел еще:
BLK=BLACK GROUND черный
TAN/WHT=TAN/WHITE OIL LIGHT бежевый с белой полосой (лампа масла)
TAN/BLK=TAN/BLACK TEMPERATURE LIGHT бежевый с черной (лампа температуры)
TAN=TAN TEMPERATURE GAUGE бежевый (указатель температуры)
PUR=PURPLE IGNITION 12 VOLT фиолетовый (плюсовой провод)
GRY=GRAY TACHOMETER серый (тахометр)
BRN/WHT=BROWN/WHITE TRIM GAUGE коричневый с белой полосой (указатель поднятия мотора)
TAN/BLU=TAN/BLUE VISUAL WARNING KIT (OPT.) бежевый с синей полосой идет на фирменные предупреждающие приборы/набор
 

луха

капитан 1-го ранга
Регистрация
13.07.2010
Сообщения
11 013
Карма
4 806
Возраст
50
Город
Волжский-Волгоград
Имя
Алексей
Лодка
Снегоход
Мотор
быстрый
Фиолетовый будет плюс после замка зажигания.
 

timontiy

капитан-лейтенант
Регистрация
01.08.2016
Сообщения
372
Карма
99
Возраст
44
Город
Екатеринбург
Имя
Тимофей
Лодка
Казанка 5М
Мотор
Mercury ME 40M Sea Pro
луха сказал(а):
Фиолетовый будет плюс после замка зажигания.
Алексей, а для снятия питания с приборов какой провод замком рвется, что-то не пойму.
 

СМВ

матрос
Регистрация
06.03.2017
Сообщения
19
Карма
0
Возраст
55
Город
г.Барнаул
Имя
Михаил
Лодка
Крым, пвх нднд Адмирал 340, пвх Навигатор 290
Мотор
Меркури F25 E EFI, Сузуки 9,9 АС, Ямаха 5
Ребята, спасибо за инфу. Прочитал, пошел переваривать. На днях займусь подключением.
 

луха

капитан 1-го ранга
Регистрация
13.07.2010
Сообщения
11 013
Карма
4 806
Возраст
50
Город
Волжский-Волгоград
Имя
Алексей
Лодка
Снегоход
Мотор
быстрый
timontiy сказал(а):
луха сказал(а):
Фиолетовый будет плюс после замка зажигания.
Алексей, а для снятия питания с приборов какой провод замком рвется, что-то не пойму.
Фиолетовый по всей проводке это зажигание.при выключении которого питание пропадает и все что к нему подключено отключается.
 

timontiy

капитан-лейтенант
Регистрация
01.08.2016
Сообщения
372
Карма
99
Возраст
44
Город
Екатеринбург
Имя
Тимофей
Лодка
Казанка 5М
Мотор
Mercury ME 40M Sea Pro
луха сказал(а):
Фиолетовый по всей проводке это зажигание.при выключении которого питание пропадает и все что к нему подключено отключается.
Я логически так же думаю, и согласен с тобой, Алексей! Но вот на схеме фиолетовый провод, не доходя до замка разветвляется и уходит на приборы... Где правда, сэр? картинка ниже:
 

Вложения

JVL

капитан 3-го ранга
Регистрация
14.03.2016
Сообщения
844
Карма
249
Город
Ногинск
Имя
Юрий
Лодка
Романтика 3, Nissamaran TR320, Hydra 350
Мотор
Mercury 15M
Видимо для запитки оборудования (эхолоты, GPS и пр.) нужно же чтобы они работали при выключенном движке
 
Вверх Снизу