igorM_

лейтенант
Регистрация
02.09.2010
Сообщения
255
Карма
9
Город
Измаил, Украина
Имя
Игорь
Лодка
МКМ
Мотор
Вихрь30,СУЗА15
Предлагаю обобщить положительный опыт доработки ВИХРЯ в одной теме.
 

igorM_

лейтенант
Регистрация
02.09.2010
Сообщения
255
Карма
9
Город
Измаил, Украина
Имя
Игорь
Лодка
МКМ
Мотор
Вихрь30,СУЗА15
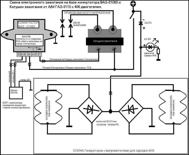
Реализация батарейного зажигания МВ-1 в 2011г. Работает по сей день без изменений.
Использован ДХ SS441A, установлен на ал. пластину вместо катушек зажигания, всего 2 датчика, основной и резервный, помещены в экран из трансформаторной стали для устранения различных наводок.Датчики можно двигать для выставления начального УОЗ. В ходу УОЗ меняет штатная система.
Аккумулятор мотоциклетный 8 а*час.Зарад в ходу от катушек освещения и выпрямительного моста.
Коммутатор винницкий 0529
 

Вложения

Вверх Снизу