новодвинец

пассажир
Регистрация
13.06.2016
Сообщения
1
Карма
0
Город
новодвинск
Имя
Юрий
Лодка
Обь М
Мотор
Yamaha 30
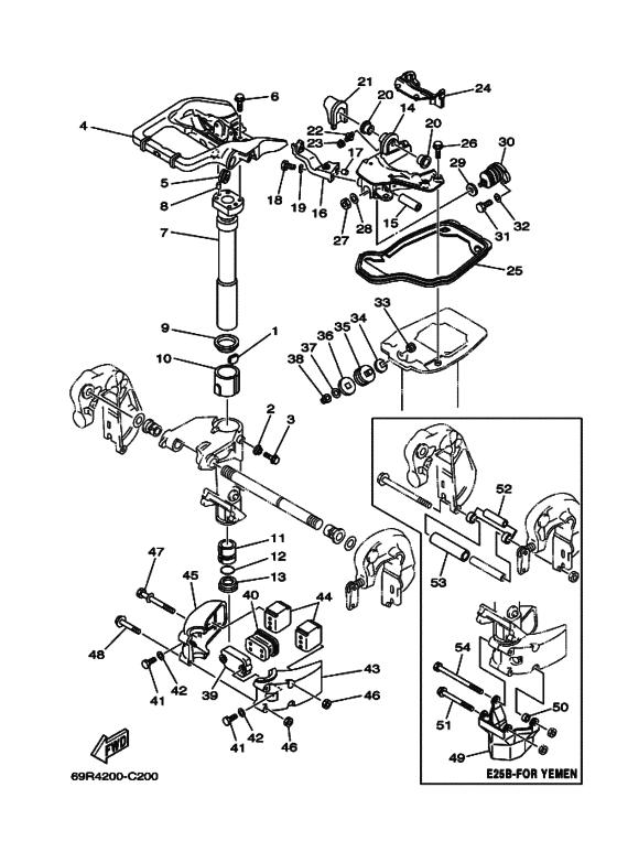
ямаха 30 л.с. при осмотре обнаружил трещину идущую через румпель к скобе переноса. как снять этот агрегат с мотора? и варится ли данный материал? сломалась запчасть под номером 4 на рисунке.
 

Вложения

Вверх Снизу