Старший помощник Лом

капитан 1-го ранга
Регистрация
20.07.2013
Сообщения
8 999
Карма
517
Возраст
56
Город
С-ЗФО, Ладожское озеро
Имя
Сергей Валерьевич
Лодка
Казанка 5М3 + VIKING NV-340 LE + Автобот + Малютка-2 ( одна нормальная, одна удлиненная на одну секцию)
Мотор
Yamaha F30FET-L + Yamaha 2DMHS + Honda BF10DK2 SHU + NissanMaran Ecomotor Pro 50 + Болотоход "Техномастер" г. Тольятти + Suzuki DF 6
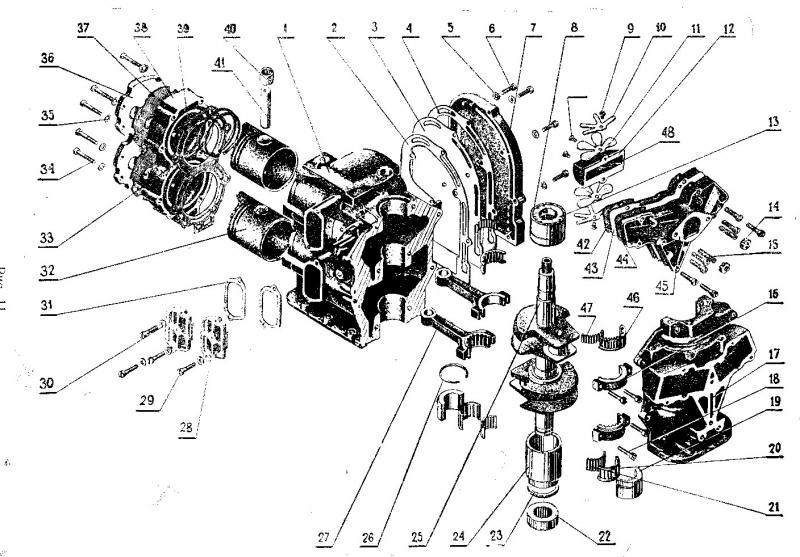
Порылся на сайте и не нашел... А тут - бах!!! Выплыла в инете, правда была в GIF-файлах - переконвертировал )))

Эх-ма! Поехали, залётные!!!

Инструкция по уходу и эксплуатации
 

Вложения

  • 20 КБ Просмотры: 2 807
  • 183,4 КБ Просмотры: 2 773
  • 159 КБ Просмотры: 2 669
  • 157,7 КБ Просмотры: 2 650
  • 196,2 КБ Просмотры: 2 650
  • 192,1 КБ Просмотры: 2 554
  • 178,6 КБ Просмотры: 2 603
  • 171,4 КБ Просмотры: 2 580
  • 167,4 КБ Просмотры: 2 509
  • 118,3 КБ Просмотры: 2 601
  • 177,6 КБ Просмотры: 2 550
  • 204,6 КБ Просмотры: 2 642
  • 154,2 КБ Просмотры: 2 616
  • 112,5 КБ Просмотры: 2 693
  • 190,6 КБ Просмотры: 2 627
  • 226,5 КБ Просмотры: 2 619
  • 191,4 КБ Просмотры: 2 620
  • 167,9 КБ Просмотры: 2 722
  • 148,8 КБ Просмотры: 2 690
  • 141,9 КБ Просмотры: 2 625

Старший помощник Лом

капитан 1-го ранга
Регистрация
20.07.2013
Сообщения
8 999
Карма
517
Возраст
56
Город
С-ЗФО, Ладожское озеро
Имя
Сергей Валерьевич
Лодка
Казанка 5М3 + VIKING NV-340 LE + Автобот + Малютка-2 ( одна нормальная, одна удлиненная на одну секцию)
Мотор
Yamaha F30FET-L + Yamaha 2DMHS + Honda BF10DK2 SHU + NissanMaran Ecomotor Pro 50 + Болотоход "Техномастер" г. Тольятти + Suzuki DF 6
Продолжу ликбез)))
 

Вложения

  • 105,2 КБ Просмотры: 2 392
  • 182,6 КБ Просмотры: 2 385
  • 160,6 КБ Просмотры: 2 390
  • 181,2 КБ Просмотры: 2 403
  • 174,1 КБ Просмотры: 2 401
  • 128,4 КБ Просмотры: 2 397
  • 144,9 КБ Просмотры: 2 375
  • 149,7 КБ Просмотры: 2 380
  • 156,9 КБ Просмотры: 2 415
  • 113,2 КБ Просмотры: 2 359
  • 158,7 КБ Просмотры: 2 437
  • 133,6 КБ Просмотры: 2 420

Старший помощник Лом

капитан 1-го ранга
Регистрация
20.07.2013
Сообщения
8 999
Карма
517
Возраст
56
Город
С-ЗФО, Ладожское озеро
Имя
Сергей Валерьевич
Лодка
Казанка 5М3 + VIKING NV-340 LE + Автобот + Малютка-2 ( одна нормальная, одна удлиненная на одну секцию)
Мотор
Yamaha F30FET-L + Yamaha 2DMHS + Honda BF10DK2 SHU + NissanMaran Ecomotor Pro 50 + Болотоход "Техномастер" г. Тольятти + Suzuki DF 6
Инструкция по эксплуатации и уходу за электрооборудованием "Москва-25ЭМ"
 

Вложения

  • 250,4 КБ Просмотры: 2 373
  • 206,5 КБ Просмотры: 2 396
  • 184,7 КБ Просмотры: 2 274
  • 195,8 КБ Просмотры: 2 382
  • 210,7 КБ Просмотры: 2 336
  • 203,8 КБ Просмотры: 2 357
  • 184,7 КБ Просмотры: 2 299
  • 156,2 КБ Просмотры: 2 372
  • 190,8 КБ Просмотры: 2 386
  • 78,5 КБ Просмотры: 2 394
  • 145,7 КБ Просмотры: 2 370
  • 128,5 КБ Просмотры: 2 525
  • 80,7 КБ Просмотры: 2 461
  • 132,3 КБ Просмотры: 2 526
  • 72,1 КБ Просмотры: 2 506
  • 159,3 КБ Просмотры: 2 521
  • 156,3 КБ Просмотры: 2 566
  • 46 КБ Просмотры: 2 382

Старший помощник Лом

капитан 1-го ранга
Регистрация
20.07.2013
Сообщения
8 999
Карма
517
Возраст
56
Город
С-ЗФО, Ладожское озеро
Имя
Сергей Валерьевич
Лодка
Казанка 5М3 + VIKING NV-340 LE + Автобот + Малютка-2 ( одна нормальная, одна удлиненная на одну секцию)
Мотор
Yamaha F30FET-L + Yamaha 2DMHS + Honda BF10DK2 SHU + NissanMaran Ecomotor Pro 50 + Болотоход "Техномастер" г. Тольятти + Suzuki DF 6
 

Вложения

  • 131,6 КБ Просмотры: 2 512
  • 167,1 КБ Просмотры: 2 494
  • 140,1 КБ Просмотры: 2 406
  • 149,3 КБ Просмотры: 2 464
  • 74,7 КБ Просмотры: 2 454
  • 71,4 КБ Просмотры: 2 396
  • 106,5 КБ Просмотры: 2 400
  • 120,7 КБ Просмотры: 2 444
  • 137,8 КБ Просмотры: 2 408
  • 157,1 КБ Просмотры: 2 580
  • 184 КБ Просмотры: 2 624
  • 143,8 КБ Просмотры: 2 690
  • 141,4 КБ Просмотры: 2 589
  • 183,9 КБ Просмотры: 2 495
  • 166,8 КБ Просмотры: 2 539
  • 94,9 КБ Просмотры: 2 521
  • 131,4 КБ Просмотры: 2 614
  • 149,5 КБ Просмотры: 2 641
  • 21 КБ Просмотры: 2 354

Pave288

пассажир
Регистрация
27.04.2022
Сообщения
1
Карма
0
Город
Новочебоксарск
Имя
Павел
Лодка
Крым
Мотор
Нептун 23
Приветствую!-скана нет случайно??
 
Вверх Снизу