lesnikID

пассажир
Регистрация
01.07.2015
Сообщения
4
Карма
0
Город
Санкт-Петербург
Имя
Александр
Лодка
Флагман 380
Мотор
Mercury 15M
Доброго времени суток, возникла проблема такого плана, Mercury 15M 2T глохнет на высоких оборотах, заводится на холодную и на горячую без проблем, на средних оборотах работает нормально и не глохнет, на высоких после 3-5 минут работы начинают немного опускается обороты и через некоторое время мотор глохнет, после этого заводится либо с первого, второго или третьего раза, чаще с первого, в чем может быть причина?
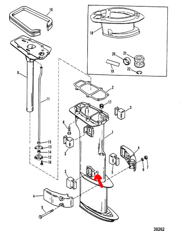
И второй вопрос обнаружил отверстие на корпусе вертикального вала, на схеме рядом с цифрой 3, там должна быть заглушка или так и должно быть? И вопрос по температуре воды на выходе какая она должна быть? Как часто надо менять термостат?
 

Вложения

  • 61,1 КБ Просмотры: 1 656

mmouse

мл. лейтенант
Регистрация
22.09.2014
Сообщения
213
Карма
14
Город
СПб
Имя
Михаил
Лодка
Solar 380 если еще не сперли.Есличо - Беркут 370,Посейдон. Ну а потом тазик для стирки белья,Фрегат.
Мотор
Merk15 пока не умер T9.8 мучениг Yama2 с вечно грязным карбюратором)
Ну например. Низкая производительность бензонасоса. После пары раз такого выключения - отверните свечи и посмотрите цвет.
Вторая,неявная причина - отказ коммутатора либо катушки под маховиком. Точно определить можно только на воде и спецприбором.
Про цифру 3 непонятно - ткните стрелкой.
 

lesnikID

пассажир
Регистрация
01.07.2015
Сообщения
4
Карма
0
Город
Санкт-Петербург
Имя
Александр
Лодка
Флагман 380
Мотор
Mercury 15M
Круглое отверстие, через него видно вал.
 

Вложения

  • 287,5 КБ Просмотры: 1 587

mmouse

мл. лейтенант
Регистрация
22.09.2014
Сообщения
213
Карма
14
Город
СПб
Имя
Михаил
Лодка
Solar 380 если еще не сперли.Есличо - Беркут 370,Посейдон. Ну а потом тазик для стирки белья,Фрегат.
Мотор
Merk15 пока не умер T9.8 мучениг Yama2 с вечно грязным карбюратором)
Я гляну на своем.Нога разобрана,точно скажу, в какой полости эта дырка.
 

mmouse

мл. лейтенант
Регистрация
22.09.2014
Сообщения
213
Карма
14
Город
СПб
Имя
Михаил
Лодка
Solar 380 если еще не сперли.Есличо - Беркут 370,Посейдон. Ну а потом тазик для стирки белья,Фрегат.
Мотор
Merk15 пока не умер T9.8 мучениг Yama2 с вечно грязным карбюратором)
Дырка и дырка. Без пробки. И на 6 и на 15.
 

lesnikID

пассажир
Регистрация
01.07.2015
Сообщения
4
Карма
0
Город
Санкт-Петербург
Имя
Александр
Лодка
Флагман 380
Мотор
Mercury 15M
Ясно, спосибо за ответ, а то думал уже о плохом.
 
Вверх Снизу