Yad
ст. матрос
- Регистрация
- 19.04.2015
- Сообщения
- 31
- Карма
- 3
- Город
- Ярославль
- Имя
- Владимир
- Лодка
- Кайман-285, П-2
- Мотор
- Nissan 4T6PH, Suzuki DF30ATL
Занялся я значит в прошлые выходные изготовлением панели и оборудованием проводки.
Делаю все впервые и вроде как с панелью, тумблерами и лампочками вопросов нет.
Проводку всю тоже обвязал.
Вот теперь гложет принципиальный вопрос один аккумулятор (запитывает двигатель + все вспомогательные сети) или два (один чисто двигатель второй вспомогательные цепи). Во втором варианте Вспомогательный аккумулятор типа PB 12-7.0 (есть возможность запараллелить таких 3-4 штуки).
Хотелось бы услышать мнения (плюсы и минусы схем) тех кто имеет уже опыт эксплуатации бортовых сетей.
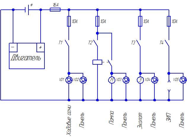
Схемы.
Вариант первый - один аккумулятор:
Вариант второй - два аккумулятора:
Делаю все впервые и вроде как с панелью, тумблерами и лампочками вопросов нет.
Проводку всю тоже обвязал.
Вот теперь гложет принципиальный вопрос один аккумулятор (запитывает двигатель + все вспомогательные сети) или два (один чисто двигатель второй вспомогательные цепи). Во втором варианте Вспомогательный аккумулятор типа PB 12-7.0 (есть возможность запараллелить таких 3-4 штуки).
Хотелось бы услышать мнения (плюсы и минусы схем) тех кто имеет уже опыт эксплуатации бортовых сетей.
Схемы.
Вариант первый - один аккумулятор:
Вариант второй - два аккумулятора:
Вложения
-
32,1 КБ Просмотры: 1 796
-
34,4 КБ Просмотры: 1 741

