kos-kazan

вице-адмирал
Команда форума
Регистрация
26.10.2010
Сообщения
1 019
Карма
86
Возраст
36
Город
Казань
Имя
Константин
Всем здравствуйте! хочу поставить на нептун вазовское реле регулятор РР380 после диодных мостов как предлагает Дмитрий http://dimchik22.ucoz.ru/publ/zarjadka_ ... ie/1-1-0-7 . Кто-нибудь имел опыт с установкой РР380 на генераторные катушки? поделитесь пожалуйста мнениями. Может кто-то предложит другое реле. Буду очень признателен вашим советам.
 

FANAT5

гл. старшина
Регистрация
11.09.2010
Сообщения
103
Карма
4
Город
САРАТОВ
kos-kazan сказал(а):
Всем здравствуйте! хочу поставить на нептун вазовское реле регулятор РР380 после диодных мостов как предлагает Дмитрий http://dimchik22.ucoz.ru/publ/zarjadka_ ... ie/1-1-0-7 . Кто-нибудь имел опыт с установкой РР380 на генераторные катушки? поделитесь пожалуйста мнениями. Может кто-то предложит другое реле. Буду очень признателен вашим советам.
А Вам для каких целей, простите? Если магнитофон-эхолот питать лучьше импульсный стабилизатор(схем в сети полно), аккумулятор если стоит ампер на 55, так он весь излишек на себя возьмет, будет подзаряжаться и питать ваши приборы... А вот реле регулятор вазовское работает по другому принципу....
 

kos-kazan

вице-адмирал
Команда форума
Регистрация
26.10.2010
Сообщения
1 019
Карма
86
Возраст
36
Город
Казань
Имя
Константин
Понял спасибо. Хочу на свет, эхолот. Да по сути на всякий случай. Вы говорите акум излишек возьмет, а он перезаряжаться не будет?
 

ribac666

капитан 2-го ранга
Регистрация
03.06.2010
Сообщения
1 209
Карма
74
Возраст
51
Город
Россия
Имя
Владимир
Лодка
Колибри-240,Колибри КМ-330Д, Таврия
Мотор
Меркурий 6, ямаха 2, вихрь 30, ветерки 8-12, гибриды 2-6,5л.с
будет если рвануть на нептуне в кругосветное плавание если идти час- полтора и не в полный газ то навряд ли
 

kos-kazan

вице-адмирал
Команда форума
Регистрация
26.10.2010
Сообщения
1 019
Карма
86
Возраст
36
Город
Казань
Имя
Константин
спасибо ribac666.
 

kos-kazan

вице-адмирал
Команда форума
Регистрация
26.10.2010
Сообщения
1 019
Карма
86
Возраст
36
Город
Казань
Имя
Константин
А если Вот такую собрать? Сила тока со штатных катушек увеличиться? И если я правильно понимаю то штатные катушки Последовательно соединять?
 

Вложения

ribac666

капитан 2-го ранга
Регистрация
03.06.2010
Сообщения
1 209
Карма
74
Возраст
51
Город
Россия
Имя
Владимир
Лодка
Колибри-240,Колибри КМ-330Д, Таврия
Мотор
Меркурий 6, ямаха 2, вихрь 30, ветерки 8-12, гибриды 2-6,5л.с
соединив последовательно удвоишь напряжение уменьшишь ток вдвое получишь чехарду с напряжением от 8 до 25 вольт проще вместо битвы со схемами купить аккумулятор для скутера на 4-6 а.ч он будет играть роль стабилизатора если у вас штатный автомобильный штатных катушек для его перезарядки не хватит ни при каких условиях но нужно на каждую катушку ставить свой мост
 

kos-kazan

вице-адмирал
Команда форума
Регистрация
26.10.2010
Сообщения
1 019
Карма
86
Возраст
36
Город
Казань
Имя
Константин
Спасибо ribac666.
 

kos-kazan

вице-адмирал
Команда форума
Регистрация
26.10.2010
Сообщения
1 019
Карма
86
Возраст
36
Город
Казань
Имя
Константин
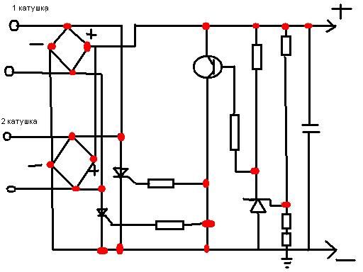
исходя из прошлых советов вот что получилось. Подскажите пожалуйста что не так?
 

Вложения

FANAT5

гл. старшина
Регистрация
11.09.2010
Сообщения
103
Карма
4
Город
САРАТОВ
Советую посмотреть тему "Батарейное зажигание для Вихря", там все подробно и доходчиво описано... Что касается схемы, я щитаю, что это не очень хороший вариант в плане к.п.д. Сам буду делать мощный импульсный стабилизатор и доматывать насколько возможно катушки...
 

kos-kazan

вице-адмирал
Команда форума
Регистрация
26.10.2010
Сообщения
1 019
Карма
86
Возраст
36
Город
Казань
Имя
Константин
Спасибо FANAT5.
 
Вверх Снизу