Бешенный
капитан 1-го ранга
- Регистрация
- 08.12.2010
- Сообщения
- 2 664
- Карма
- 237
- Возраст
- 60
- Имя
- Владимир Валерьевич
- Лодка
- Две самоделки, Профмарин340, Малютка.
- Мотор
- Ветерок 8, 12, Прибой, Салют, Гибрид, Москва 12,5, 30, Нептун, Волгарь, Вихрь М, 30
Решил зарядить аккум. кинулся ,а зарядное сын забрал, а сам уехал в командировку, а зарядное отдал какому то дружку. Вообщем концов не нашел. Заехал в автомагазин. Охренел от цен и качества. Жаба задушила за такую хрень 2 рубля выкладывать. Заехал в магазин радиодеталей , благо он рядом и купил "ингредиенты" для зарядного.
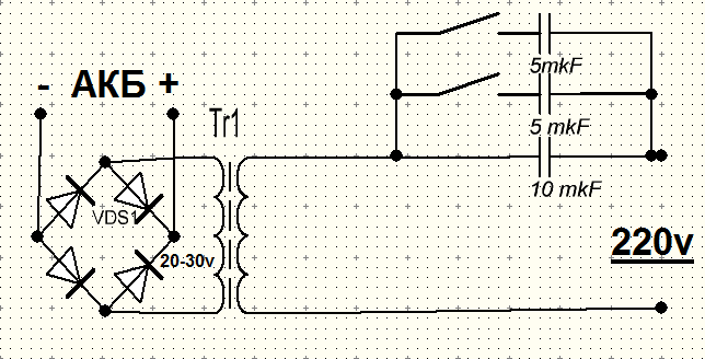
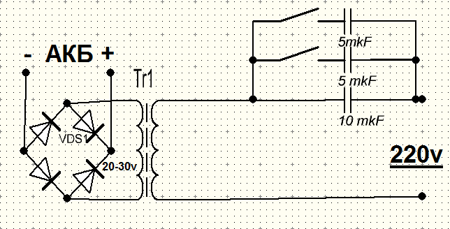
1 Трансформатор 220\24 В- 300р
2 Диодный мостик-50р
3 Амперметр(головка постоянного тока 7,5А)- 75р
4 Светорегулятор квартирный - 150р
Итого 575р и полчаса времени. Делал я такие не один раз, единственное замечу "светорегулятор"(так в магазе обозначен) должен быть с симистором ,те что с двумя тиристорами работать не хотят. В теории должны ,на практике нет Они как правило стоят гораздо дешевле тиристорных.
Трансформатор мощностью не менее 300 Вт может быть 24-36 вольт эссно понижающий. Мостик на 50А выпрямляемого тока с запасом в десять раз Все остальное на фотках. Фотки правда не ахти ,с телефона,но кому интересно разжую
1 Трансформатор 220\24 В- 300р
2 Диодный мостик-50р
3 Амперметр(головка постоянного тока 7,5А)- 75р
4 Светорегулятор квартирный - 150р
Итого 575р и полчаса времени. Делал я такие не один раз, единственное замечу "светорегулятор"(так в магазе обозначен) должен быть с симистором ,те что с двумя тиристорами работать не хотят. В теории должны ,на практике нет Они как правило стоят гораздо дешевле тиристорных.
Трансформатор мощностью не менее 300 Вт может быть 24-36 вольт эссно понижающий. Мостик на 50А выпрямляемого тока с запасом в десять раз Все остальное на фотках. Фотки правда не ахти ,с телефона,но кому интересно разжую
Вложения
-
46,1 КБ Просмотры: 2 342
-
35,9 КБ Просмотры: 2 278
-
34,9 КБ Просмотры: 2 215
-
38,6 КБ Просмотры: 2 226
