Макс43

капитан 3-го ранга
Регистрация
22.10.2013
Сообщения
586
Карма
69
Возраст
42
Город
Краснодарский кр. Кропоткин
Имя
Максим
Лодка
Днепр, МКМ, Норд-Сильвер 390
Мотор
Вихри, Нептуны, Москвы, Ино.разные
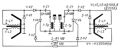
Кто то с форума (ник не помню) звонил и просил схему Ветерковского зажигания. Вот пожалуйста..
 

Вложения

нордик301

капитан 1-го ранга
Регистрация
22.10.2011
Сообщения
2 202
Карма
340
Возраст
72
Город
Алтайский край
Имя
Анатолий Ильич
Лодка
Нордик -300 (был ) , самодельная кастрюля -"люмишка " Солар-380
Мотор
"Мелкомоськи , "В-8 " , "Ямаха 9,9 GMHS"
Макс43 сказал(а):
Кто то с форума (ник не помню) звонил и просил схему Ветерковского зажигания. Вот пожалуйста..
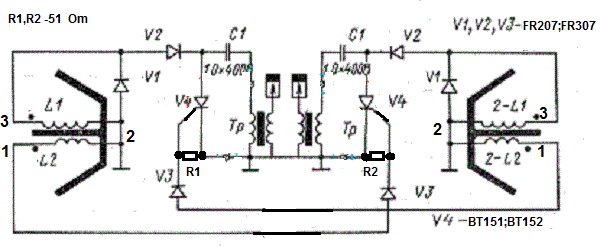
Вдогонку схему с новой элементной базой
 

Вложения

Вверх Снизу