LPB
капитан 1-го ранга
- Регистрация
- 10.05.2010
- Сообщения
- 1 634
- Карма
- 93
- Город
- Новосибирск
- Имя
- Павел
- Лодка
- Прогресс-2
- Мотор
- HONDA BF-30
На Ебее по дешёвке за 400р была куплена плата управлением реверса Меркруизер Альфа, но без концевика, который приглушает двигатель на момент переключения передач. Родной концевик покупать за 2-2.5 тысячи рублей, не то чтобы жаба душила , просто посчитал крайне не целесообразным
.
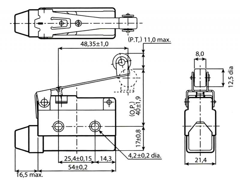
В радио магазине был прикуплен "подходящий"AZ-7121 за 140 рублей. Мне он понравился больше "квёлого" родного - срабатывает четко, ток управления повыше, да и вообще больше внушает доверия, за такие-то деньги
При установке были спилены родные приливы под концевик AZ-7121 и по месту нарезана резьба под крепление нового.Новый коцевик на 0.2-04мм выше родного, и под рычаг проложена 1 шайба, чтобы он двигался не задевая выключатель. Получилось ка-то так- может кому пригодится.
AZ-7121
В радио магазине был прикуплен "подходящий"AZ-7121 за 140 рублей. Мне он понравился больше "квёлого" родного - срабатывает четко, ток управления повыше, да и вообще больше внушает доверия, за такие-то деньги
При установке были спилены родные приливы под концевик AZ-7121 и по месту нарезана резьба под крепление нового.Новый коцевик на 0.2-04мм выше родного, и под рычаг проложена 1 шайба, чтобы он двигался не задевая выключатель. Получилось ка-то так- может кому пригодится.
AZ-7121
Вложения
-
57,7 КБ Просмотры: 1 479
-
48,8 КБ Просмотры: 1 461
-
58,4 КБ Просмотры: 1 542
-
78 КБ Просмотры: 1 507
-
57,4 КБ Просмотры: 1 784
-
51,7 КБ Просмотры: 1 364
-
33,8 КБ Просмотры: 1 428