ovchinnikov 1966

капитан 1-го ранга
Регистрация
29.01.2012
Сообщения
9 478
Карма
1 321
Имя
Alex
Лодка
Terhi 405. Flinc 320
Мотор
Johnson, Evenrud, Chrysler.Terhi . Volvo Penta ///...
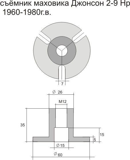
Съемник маховика для Джонсон 2-9 сил.На другую мощность подойдет или нет пока не знаю.Маховик на старичках загнуть оч.просто.Найти замену проблема.
 

Вложения

Melitopol

старшина 2ст.
Регистрация
11.01.2015
Сообщения
52
Карма
8
Возраст
56
Город
Украина
Имя
Виталий
Лодка
Navigator ЛК330
Мотор
Evinrude 6, Evinrude 9.5, Evinrude 15, Москва 12,5
ovchinnikov 1966 сказал(а):
Съемник маховика для Джонсон 2-9 сил.На другую мощность подойдет или нет пока не знаю.Маховик на старичках загнуть оч.просто.Найти замену проблема.
Какая резьба в отверстиях маховика?
 

ovchinnikov 1966

капитан 1-го ранга
Регистрация
29.01.2012
Сообщения
9 478
Карма
1 321
Имя
Alex
Лодка
Terhi 405. Flinc 320
Мотор
Johnson, Evenrud, Chrysler.Terhi . Volvo Penta ///...
Дюймовая, если нет в запасе, то можно снять с самого мотора. По памяти с крышки выхлопа вроде такие.
 

volchara28

капитан 1-го ранга
Регистрация
23.05.2013
Сообщения
1 670
Карма
259
Возраст
53
Город
Рязань
Имя
Андрей
Лодка
Прогресс-2 (в душе будет всегда). Неман-500 в продаже. Сейчас Trofy 1802/
Мотор
Вихрь-30, Evinrude35, Johnson70 Honda BF 90.Mercury 115
Вихревский съемник замечательно подходит,только прорезать как на схеме,на 70-ом им маховик снял без проблемм,хотя заметил что на всех Джонах и Эвинрудах маховики усаживаются даже при не сильной затяжке что отходят потом как с отстрелом.
 
Вверх Снизу