Yury

пассажир
Регистрация
18.04.2013
Сообщения
2
Карма
0
Имя
Yury
Лодка
Крым
Мотор
Mercury 15
Всем привет,я совсем недавно нашел этот форум и хотел задать вопрос,т.к. пора уже начинать делать лодку.В конце осени мы купили лодку,Крым,мотор был и есть Mercury 15,теперь хотим сделать:
1)ДУ
2)Фароискатель и автомагнитолу с 2 простенькими динамиками.
У меня вопрос:что нужно купить и как всё подсоеденить ,чтобы автомобильный аккумулятор заряжался при езде?(С электричеством не связывался)мне 16 лет)
Заранее спасибо за помощь.
 

LPB

капитан 1-го ранга
Регистрация
10.05.2010
Сообщения
1 634
Карма
93
Город
Новосибирск
Имя
Павел
Лодка
Прогресс-2
Мотор
HONDA BF-30
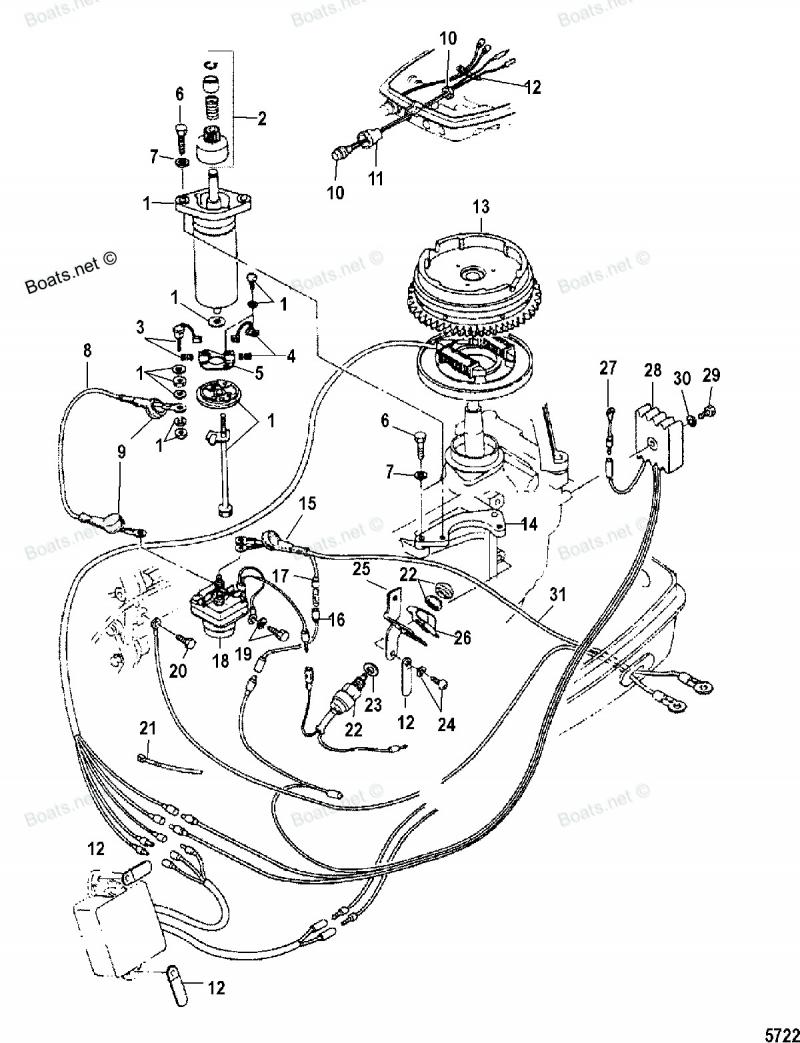
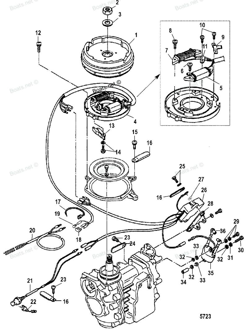
Из описания 15М
Ток генератора 6/76(опция при ручном стартере, стандарт при электростартере)
Это значит что если мотор не укомплектован электростартером с завода -катушки освещения(и зарядки аккумулятора) в нем нет. Нужно покупать, снимать маховик и ставить. Также нужно будет купить штатный выпрямитель и регулятор.

Позиции 28 регулятор и 7 катушка
 

Вложения

  • 111 КБ Просмотры: 1 847
  • 130,9 КБ Просмотры: 1 834

lapan

капитан-лейтенант
Регистрация
12.11.2011
Сообщения
377
Карма
29
Возраст
42
Имя
Павел
Лодка
ЯНТАРЬ-2 - 2 шт.
Мотор
Было:Нептун-23, Москва-9.5, Москва-М, Москва-12.5, Ветерок-8, гибрид-МосВет. Есть:M9.9, Ветерок 8Э

Yury

пассажир
Регистрация
18.04.2013
Сообщения
2
Карма
0
Имя
Yury
Лодка
Крым
Мотор
Mercury 15
Спасибо большое)Катушек нет,думаю можно купить в магазине,где мотор покупали наверное.Стабилизатор тоже легче будет купить наверное,если будет,спасибо за схему)
 
Вверх Снизу