Андрей 80

капитан 3-го ранга
Регистрация
06.02.2022
Сообщения
504
Карма
52
Возраст
46
Город
Лоев Беларусь
Имя
Андрей
Лодка
Казанка
Мотор
Вихрь 25, Привет 22, Москва 10, ветерок 8
как настраивать МЛ 10
 
Последнее редактирование:

efik53

капитан 1-го ранга
Регистрация
25.01.2017
Сообщения
2 038
Карма
664
Возраст
72
Город
UA
Имя
Виктор Ефимов
Лодка
Энерджи 350 НДНД
Мотор
СузукиДф2.5 Ветерок8м. Эвинруд9,9
"Промудохался" я в прошлом году с неравномерной работой цилиндров Москва 10

Нижний работал хуже верхнего и свеча была мокрая.
Отключаешь верхний, тырк-тырк-тырк-тырк-тырк-тырк-тырк и все, глохнет на холостых. Добавишь обороты, не глохнет но както лениво работает, хуже верхнего. Поменял сальники, раскалол картер и посадил его на герметик, выполнил опресовку двигателя, нигде не чего не пузыриться по швам, ставил другой карбюратор (менял КЛМ на КЛМ), однако весной опять все тоже.
По компрессии между цилиндрами разница не значительная (6 около 6).
Как-то в прошлом году доводилось вроде выводить на более менее одинаковую работу цилиндров на холостом (думал заливает нижний и от того тот плохо работает) по средствам регулировки уровня топлива в поплавковой камере КЛМ-100, крутил винты ГТЖ и ЖХЛ. Но так как уже было холодно испытания все были в бочке. Остался доволен, думал нашел проблему.
Но после весеннего запуска в бочке я вернулся к старой мысле, что проблема с зажиганием (стоит от ветерка электронное с импортными компонентами).
Поработает секунд 20 и чихает, стреляет в глушитель дергается от несвоевременного воспламенения смеси на малых на средний чувствуется дерганье ну и работа в пол силы, откидаешь проблемный нижний, работает на верхнем нормально.
Поменял местами ВВ катушки (когда в прошлом году такое делал, разницу по работе нижнего не заметил, он как работал хреново так и после перекидывания хреново Да еще, на нижнем нельзя было завести, только на верхнем, даже без нижнего.
Вот на днях после повторного «мудохонья» опять перекинул ВВ катушки в паре с ВВ проводами по цилиндрам, то-есть поменял местами..
В итоге чудо ))) работает нижний цилиндр как ранее верхний а вехний стал работать так как и нижний.
Т.е. сейчас я без проблем завожу мотор на нижнем цилиндре но как только скидаю колпачек с нижнего, то мотор глохнет на верхнем, почти сразу, при повышеных оборотах работает верхний но в пол силы и подергивается.
Такое ощущение что проблема в ВВ катушке или проводе (но провода я в этом году другие поставил).
Раньше при использовании этих самых ВВ катушек на соседних цилиндрах не было разницы, ну не припомню я такой ситуации, я бы ее еще в прошлом сезоне заметил.

В итоге у меня 2 гипотезы такого поведения мотора:

либо с ВВ частью (катушка, провод) что-то не то
либо сама эл схема МБЭ глючит и эта проблема с цилиндром плавает с одного канала на другой.
Сегодня еще попробую заменить ВВ катушку.

Но уже задумываюсь поставить родненькое МЛ – 10 с егоже маховиком, только не разобрался как его настраивать читал инструкцию где нужно распилить какойто кулочек после делать разные измерения и вносить их в таблицу а потом нарисовать график и ….., вообще я не понял. Может кто видел на форуме ну или сам делам настройку МЛ-10, подскажите.

И еще оговорюсь на моем МЛ штатные ВВ катушки убиты, поэтому планирую делать выходы на выносные ВВ катушки.

В общем жду советов
Какой совет? Понять ничего нельзя. Там стоит МБЭ, или МЛ? Какие нах. высоковольтные подмаховичные катушки с ЭЛ.зажиганием? Там накопительная и управления на ней.
 

Voivano

вице-адмирал
Регистрация
11.08.2016
Сообщения
5 124
Карма
2 460
Город
Ачинск
Имя
Владимир
Лодка
Ракета РЛ-380
Мотор
Ветерок 8, Ветерок 12, Yamaha 6E3S (5CSMH), Москва М, Гибрид 7 лс. Гибрид 8 лс. Стрела и еще разные.
Все люди изъясняются неизъяснимо, всяк в своих извращениях, в своем разумении, которое у каждого беспримерно и неповторимо.
А можно короче, но толковее. Кроме того, что есть основание МЛ-10, а что на нем стоит, может самоделка какая, может стоковое контактное, может еще какая-нибудь рацуха доселе неизвестная.
 

Андрей 80

капитан 3-го ранга
Регистрация
06.02.2022
Сообщения
504
Карма
52
Возраст
46
Город
Лоев Беларусь
Имя
Андрей
Лодка
Казанка
Мотор
Вихрь 25, Привет 22, Москва 10, ветерок 8
как настраивать МЛ 10?
 

Voivano

вице-адмирал
Регистрация
11.08.2016
Сообщения
5 124
Карма
2 460
Город
Ачинск
Имя
Владимир
Лодка
Ракета РЛ-380
Мотор
Ветерок 8, Ветерок 12, Yamaha 6E3S (5CSMH), Москва М, Гибрид 7 лс. Гибрид 8 лс. Стрела и еще разные.
Если контактное, то открываешь Фишбейна, там все написано. Нет разницы для Ветерка или Москвы. У тебя возможно обрыв во вторичной обмотке одной из катушек. Поэтому на малых искры нет, а на больших пробивает место разрыва пока, потом больше выгорит и совсем пропадет. Если между высоковольтным проводом и массой сопротивление не показывает совсем, должно быть около 7 кОм, тогда... Вариантов много, как заменить на электронное, или поставить выносные катушки зажигания на оставшееся контактное.
 

Андрей 80

капитан 3-го ранга
Регистрация
06.02.2022
Сообщения
504
Карма
52
Возраст
46
Город
Лоев Беларусь
Имя
Андрей
Лодка
Казанка
Мотор
Вихрь 25, Привет 22, Москва 10, ветерок 8
Если контактное, то открываешь Фишбейна, там все написано. Нет разницы для Ветерка или Москвы. У тебя возможно обрыв во вторичной обмотке одной из катушек. Поэтому на малых искры нет, а на больших пробивает место разрыва пока, потом больше выгорит и совсем пропадет. Если между высоковольтным проводом и массой сопротивление не показывает совсем, должно быть около 7 кОм, тогда... Вариантов много, как заменить на электронное, или поставить выносные катушки зажигания на оставшееся контактное.
нет, у меня проблема с электронным.
Хочу его заменить МЛ-10 на котором убиты катушки, заменив их выносными.
если про эту настройку http://www.barque.ru/engine/1972/adjusting_engine_ignition_system_moscow то тут я ничего не понял. особенно вот это
244483
 

Voivano

вице-адмирал
Регистрация
11.08.2016
Сообщения
5 124
Карма
2 460
Город
Ачинск
Имя
Владимир
Лодка
Ракета РЛ-380
Мотор
Ветерок 8, Ветерок 12, Yamaha 6E3S (5CSMH), Москва М, Гибрид 7 лс. Гибрид 8 лс. Стрела и еще разные.
Это все написано для контактного. Если у тебя нет выносных катушек, то именно оно у тебя и стоит. У тебя выходят два провода на свечи прямо из основания? Так?
 

Андрей 80

капитан 3-го ранга
Регистрация
06.02.2022
Сообщения
504
Карма
52
Возраст
46
Город
Лоев Беларусь
Имя
Андрей
Лодка
Казанка
Мотор
Вихрь 25, Привет 22, Москва 10, ветерок 8
Это все написано для контактного. Если у тебя нет выносных катушек, то именно оно у тебя и стоит. У тебя выходят два провода на свечи прямо из основания? Так?
нет, сейчас у меня стоит электронное от ветерка МБЭ...
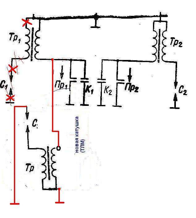
А я хочу попробовать его заменить на контактное (есть МЛ 10 с маховиком) у кторого как ты говоришь выходят 2 ВВ провода из под основания.
Однако у последнего (МЛ 10) убиты ВВ катушки которые на основании. Так вот я хочу взять выход из накопительных МЛ 10 и кинуть его на
выносные ВВ катушки.
 

Вложения

Voivano

вице-адмирал
Регистрация
11.08.2016
Сообщения
5 124
Карма
2 460
Город
Ачинск
Имя
Владимир
Лодка
Ракета РЛ-380
Мотор
Ветерок 8, Ветерок 12, Yamaha 6E3S (5CSMH), Москва М, Гибрид 7 лс. Гибрид 8 лс. Стрела и еще разные.
Дело, конечно твое, что хочешь то и делай, у меня где-то на ютубе есть ролик по регулировке этого зажигания. Я тебе говорю, что разницы нет с каким маховиком оно работает, поэтому если ничего не болтается, у подвижного контакта нет люфта, то выставляешь одинаковый зазор - и будет тебе щастье. Но, мотор, именно от этого лучше работать не будет, кроме того, возможно и залипание контактов, и подгорание оных и другие неприятности. В детстве у нас с другом был наставник, жених одной из теток (младших сестер отца). Он мотогонщик, вот на своих Восходах и кулачок подправляли по его рекомендациям, и контакты новые даже делали.... Нам тогда казалось, мотик прибавлял мощи немеряно... Но это чисто детские заблуждения были, самовнушение :)
 

Андрей 80

капитан 3-го ранга
Регистрация
06.02.2022
Сообщения
504
Карма
52
Возраст
46
Город
Лоев Беларусь
Имя
Андрей
Лодка
Казанка
Мотор
Вихрь 25, Привет 22, Москва 10, ветерок 8
Дело, конечно твое, что хочешь то и делай, у меня где-то на ютубе есть ролик по регулировке этого зажигания. Я тебе говорю, что разницы нет с каким маховиком оно работает, поэтому если ничего не болтается, у подвижного контакта нет люфта, то выставляешь одинаковый зазор - и будет тебе щастье. Но, мотор, именно от этого лучше работать не будет, кроме того, возможно и залипание контактов, и подгорание оных и другие неприятности. В детстве у нас с другом был наставник, жених одной из теток (младших сестер отца). Он мотогонщик, вот на своих Восходах и кулачок подправляли по его рекомендациям, и контакты новые даже делали.... Нам тогда казалось, мотик прибавлял мощи немеряно... Но это чисто детские заблуждения были, самовнушение :)
что получается, оставлять электронное МБЭ от ветерка и не дурить себе голову?
 

efik53

капитан 1-го ранга
Регистрация
25.01.2017
Сообщения
2 038
Карма
664
Возраст
72
Город
UA
Имя
Виктор Ефимов
Лодка
Энерджи 350 НДНД
Мотор
СузукиДф2.5 Ветерок8м. Эвинруд9,9
что получается, оставлять электронное МБЭ от ветерка и не дурить себе голову?
Старое зажигание, в месте с его катушками в топку. Сделай, или купи новое на современной комплектации. И катушки новые пущай намотают.
 

Voivano

вице-адмирал
Регистрация
11.08.2016
Сообщения
5 124
Карма
2 460
Город
Ачинск
Имя
Владимир
Лодка
Ракета РЛ-380
Мотор
Ветерок 8, Ветерок 12, Yamaha 6E3S (5CSMH), Москва М, Гибрид 7 лс. Гибрид 8 лс. Стрела и еще разные.
что получается, оставлять электронное МБЭ от ветерка и не дурить себе голову?
Может тебе нравится дурить именно себе голову, кто же запрещает-то :) Контактное зажигание должно быть сделано идеально, тогда и будет работать, но в своих пределах и со своими недостатками, заложенными системой. Электронное проще, менее чувствительно к мелким недочетам. Проще согласовать с системой питания. Но самое главное, что напряжение пробоя на электродах свечи минимум в два раза выше чем у контактного, поэтому менее чувствительно к загрязнению и "заливанию".
 

Андрей 80

капитан 3-го ранга
Регистрация
06.02.2022
Сообщения
504
Карма
52
Возраст
46
Город
Лоев Беларусь
Имя
Андрей
Лодка
Казанка
Мотор
Вихрь 25, Привет 22, Москва 10, ветерок 8
Может тебе нравится дурить именно себе голову, кто же запрещает-то :) Контактное зажигание должно быть сделано идеально, тогда и будет работать, но в своих пределах и со своими недостатками, заложенными системой. Электронное проще, менее чувствительно к мелким недочетам. Проще согласовать с системой питания. Но самое главное, что напряжение пробоя на электродах свечи минимум в два раза выше чем у контактного, поэтому менее чувствительно к загрязнению и "заливанию".
Я думал что у контактного энергия искры мощнее для поджигания топливной смеси и за счет этого решить проблему с переодическим отваливанием одного из цилиндров на холостых и оборотах около средних. Конечно при условии если смогу контактное настроить достойно.
 

Voivano

вице-адмирал
Регистрация
11.08.2016
Сообщения
5 124
Карма
2 460
Город
Ачинск
Имя
Владимир
Лодка
Ракета РЛ-380
Мотор
Ветерок 8, Ветерок 12, Yamaha 6E3S (5CSMH), Москва М, Гибрид 7 лс. Гибрид 8 лс. Стрела и еще разные.
Она продолжительнее. Возьми высоковольтный провод контактного и замерь расстояние какое пробивает искра, около 8 мм, и электронного - 20 мм.
 

Андрей 80

капитан 3-го ранга
Регистрация
06.02.2022
Сообщения
504
Карма
52
Возраст
46
Город
Лоев Беларусь
Имя
Андрей
Лодка
Казанка
Мотор
Вихрь 25, Привет 22, Москва 10, ветерок 8
Она продолжительнее. Возьми высоковольтный провод контактного и замерь расстояние какое пробивает искра, около 8 мм, и электронного - 20 мм.
Блин, тогда чего у меня не равномерно работают цилиндры? Сальники поменял, опресовку двигателя сделал, компрессия почти одинаковая, в карбюраторе (КЛМ - 100) уровень отрегулировал. Зажигание на современную элементарную базу перепоял.
 

Voivano

вице-адмирал
Регистрация
11.08.2016
Сообщения
5 124
Карма
2 460
Город
Ачинск
Имя
Владимир
Лодка
Ракета РЛ-380
Мотор
Ветерок 8, Ветерок 12, Yamaha 6E3S (5CSMH), Москва М, Гибрид 7 лс. Гибрид 8 лс. Стрела и еще разные.
Как уровень регулировал?
 

Андрей 80

капитан 3-го ранга
Регистрация
06.02.2022
Сообщения
504
Карма
52
Возраст
46
Город
Лоев Беларусь
Имя
Андрей
Лодка
Казанка
Мотор
Вихрь 25, Привет 22, Москва 10, ветерок 8

Voivano

вице-адмирал
Регистрация
11.08.2016
Сообщения
5 124
Карма
2 460
Город
Ачинск
Имя
Владимир
Лодка
Ракета РЛ-380
Мотор
Ветерок 8, Ветерок 12, Yamaha 6E3S (5CSMH), Москва М, Гибрид 7 лс. Гибрид 8 лс. Стрела и еще разные.
У меня сколько было, в которых побывали умельцы, у всех язычок был отгнут, что поплавок потом упирался в крышку.
 

Андрей 80

капитан 3-го ранга
Регистрация
06.02.2022
Сообщения
504
Карма
52
Возраст
46
Город
Лоев Беларусь
Имя
Андрей
Лодка
Казанка
Мотор
Вихрь 25, Привет 22, Москва 10, ветерок 8
Вверх Снизу