Кокос

матрос
Регистрация
24.08.2022
Сообщения
29
Карма
5
Город
Фролово
Имя
Олег
Лодка
Пока нет
Мотор
Вихрь 30
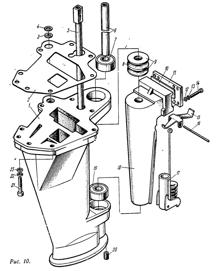
Мужики может у кого есть на продажу центральный кранштейн в сборе? Не давно купил в Самаре так там резьбы конченые местами совсем нету
 

камич2

лейтенант
Регистрация
05.12.2012
Сообщения
272
Карма
598
Город
Наб. Челны
Имя
Олег
Лодка
былП-4 сейчас stingray 320
Мотор
был В-30 Бийск-45 сейчас suzuki DF5(6)s. Мото собака Хаски. (зима).
Мужики может у кого есть на продажу центральный кранштейн в сборе? Не давно купил в Самаре так там резьбы конченые местами совсем нету
Олег. Ты бы фото выложил чего и где нету .!?
 

Влад 44

капитан-лейтенант
Регистрация
30.12.2018
Сообщения
466
Карма
209
Возраст
56
Город
Кострома
Имя
Владислав
Лодка
Казанка МД, Кайман 330
Мотор
Нептун 23, Вихрь 25,30, Ветерок 12. 8, Suzuki DF6, SeaPro T2,5,

печкин

капитан 1-го ранга
Регистрация
07.09.2018
Сообщения
2 104
Карма
290
Город
украина,киев
Имя
андрей
Лодка
надувнуха
Мотор
вихрь 25 ,парсун 5,8 и парсун 2,6
Олег. Ты бы фото выложил чего и где нету .!?
похоже,это резьбы ,в которые вкручиваются 8 болтов на м6,на которых через алюминиевую пластину висит весь мотор.
других в подвеске просто нету.
 

Кокос

матрос
Регистрация
24.08.2022
Сообщения
29
Карма
5
Город
Фролово
Имя
Олег
Лодка
Пока нет
Мотор
Вихрь 30
похоже,это резьбы ,в которые вкручиваются 8 болтов на м6,на которых через алюминиевую пластину висит весь мотор.
других в подвеске просто нету.
Да это они купил в Самаре а на трёх резьбы вообще нету
 

Борис

капитан 1-го ранга
Регистрация
30.01.2011
Сообщения
4 778
Карма
1 491
Возраст
66
Город
Озерск, Челябинская область
Имя
Борис
Лодка
Казанка 5М3, "Кефаль".
Мотор
Меркури 60ЕО

_NickY_

капитан 3-го ранга
Регистрация
15.07.2019
Сообщения
955
Карма
236
Город
Москва
Имя
Никита
Лодка
Волжанка. Проект Малиновского
Мотор
Нептун 23
Либо втулку с м8 на м6 выточить
 

chebarik

капитан 1-го ранга
Регистрация
28.01.2015
Сообщения
15 837
Карма
4 196
Город
Земля
Имя
Андрей
Лодка
Романтика
Мотор
Mcculloch 4

chebarik

капитан 1-го ранга
Регистрация
28.01.2015
Сообщения
15 837
Карма
4 196
Город
Земля
Имя
Андрей
Лодка
Романтика
Мотор
Mcculloch 4

печкин

капитан 1-го ранга
Регистрация
07.09.2018
Сообщения
2 104
Карма
290
Город
украина,киев
Имя
андрей
Лодка
надувнуха
Мотор
вихрь 25 ,парсун 5,8 и парсун 2,6

Влад 44

капитан-лейтенант
Регистрация
30.12.2018
Сообщения
466
Карма
209
Возраст
56
Город
Кострома
Имя
Владислав
Лодка
Казанка МД, Кайман 330
Мотор
Нептун 23, Вихрь 25,30, Ветерок 12. 8, Suzuki DF6, SeaPro T2,5,
Сам кронштейн нормальный а вот резьбы нету
Так фото этого кронштейна кинешь?
Если не секрет целиком сколько за вихрюшу ?
какой нужен? 20 или 25. 30 вроде уже нет. Поддоны у всех, если не ошибаюсь, круглые были. Посмотрю вечером если не забуду.
 

печкин

капитан 1-го ранга
Регистрация
07.09.2018
Сообщения
2 104
Карма
290
Город
украина,киев
Имя
андрей
Лодка
надувнуха
Мотор
вихрь 25 ,парсун 5,8 и парсун 2,6

печкин

капитан 1-го ранга
Регистрация
07.09.2018
Сообщения
2 104
Карма
290
Город
украина,киев
Имя
андрей
Лодка
надувнуха
Мотор
вихрь 25 ,парсун 5,8 и парсун 2,6
есть резьбы м7 с тем же шагом,что м6,используются на гарпунах ружей для подводной охоты,но не думаю,что такой крепеж и метчик будет просто достать...
 

Арчибальд

капитан 1-го ранга
Регистрация
18.10.2015
Сообщения
3 133
Карма
1 295
Город
Сызрань
Имя
Александр
Лодка
Казанка 5М
Мотор
HIDEA 40 FES
Если автор про этот кронштейн №18. Вихри у всех были(кто в теме), а хрень предлагаете, резьбу нарезать М8. Там болты М6(8шт кто не помнит), и головки этих болтов впритык друг к другу, ключом на 10 проблематично подлезть, а тут аж на 13 советуют.
 

Вложения

печкин

капитан 1-го ранга
Регистрация
07.09.2018
Сообщения
2 104
Карма
290
Город
украина,киев
Имя
андрей
Лодка
надувнуха
Мотор
вихрь 25 ,парсун 5,8 и парсун 2,6
головки этих болтов впритык друг к другу, ключом на 10 проблематично подлезть, а тут аж на 13 советуют.
можно взять болты с головкой под внутренний шестигранник,и у него сорваны только 3 резьбы из 8ми.
 

Арчибальд

капитан 1-го ранга
Регистрация
18.10.2015
Сообщения
3 133
Карма
1 295
Город
Сызрань
Имя
Александр
Лодка
Казанка 5М
Мотор
HIDEA 40 FES
Да дохрена что можно. Можно и планку намертво прикрутить(ту которая в этот кронштейн вставляется), только зачем? Время перед весной-вагон, ищи запчасти.
 

Влад 44

капитан-лейтенант
Регистрация
30.12.2018
Сообщения
466
Карма
209
Возраст
56
Город
Кострома
Имя
Владислав
Лодка
Казанка МД, Кайман 330
Мотор
Нептун 23, Вихрь 25,30, Ветерок 12. 8, Suzuki DF6, SeaPro T2,5,

Влад 44

капитан-лейтенант
Регистрация
30.12.2018
Сообщения
466
Карма
209
Возраст
56
Город
Кострома
Имя
Владислав
Лодка
Казанка МД, Кайман 330
Мотор
Нептун 23, Вихрь 25,30, Ветерок 12. 8, Suzuki DF6, SeaPro T2,5,
Вверх Снизу