Volvo 126
матрос
- Регистрация
- 06.07.2022
- Сообщения
- 17
- Карма
- 0
- Город
- Санкт-Петербург
- Имя
- Максим
- Лодка
- Сапсан 360
- Мотор
- Меркури 15м
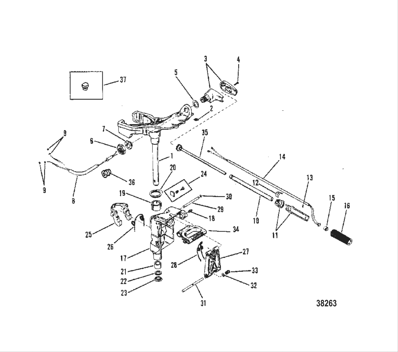
Здравствуйте. Помогите пожалуйста советом или ссылкой на инструкцию, по замене или снятию поворотных подшипников (а по факту пластиковых сальников) на моторе Меркури 15м мультирумпель, американец. Весь инет облазил и ничего не нашёл. Давит масло с верхнего подшипника (сальника) и имеется не большой люфт. Приобрёл два верхних подшипника, а как их снять, не знаю. Заранее спасибо.
Вложения
-
129 КБ Просмотры: 252
-
117,5 КБ Просмотры: 251
-
168,3 КБ Просмотры: 232
-
176,4 КБ Просмотры: 234
-
112 КБ Просмотры: 241
-
100,5 КБ Просмотры: 238