ovchinnikov 1966
капитан 1-го ранга
- Регистрация
- 29.01.2012
- Сообщения
- 9 481
- Карма
- 1 321
- Имя
- Alex
- Лодка
- Terhi 405. Flinc 320
- Мотор
- Johnson, Evenrud, Chrysler.Terhi . Volvo Penta ///...
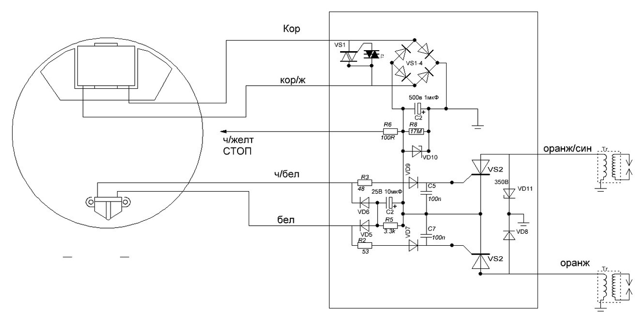
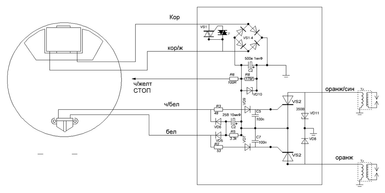
Пользуйтесь 
Вложения
-
95,4 КБ Просмотры: 998
