Sem52
матрос
- Регистрация
- 17.09.2019
- Сообщения
- 6
- Карма
- 4
- Город
- Н.Новгород
- Имя
- Александр
- Лодка
- Адмирал 320
- Мотор
- Москва 10
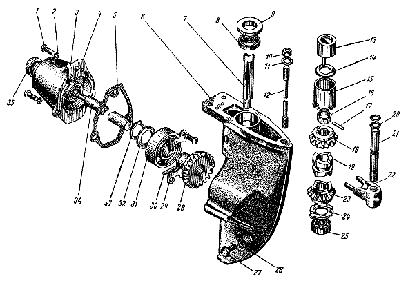
Доброго дня!Помогите с размером кольца под штифт торсионного вала.Редуктор менялся и похоже утеряна вещь.На схеме деталировки №16.