andrushok777
капитан 3-го ранга
- Регистрация
- 01.04.2012
- Сообщения
- 790
- Карма
- 23
- Возраст
- 41
- Имя
- Андрей
- Лодка
- Nissamaran 320,Bayliner 1700 LS capri(был),Риб SPORTIS 440(был),прогресс 2м(был),Крым(был)
- Мотор
- Suzuki 15,Johnson 6(был),Mercury 115 ELPTO(был),Yamaha F100 АETL(пошел по России),Johnson 30EVSIA(был).
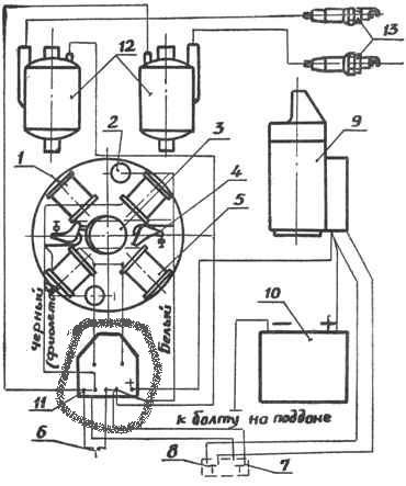
скажите пожалуйста, зажигание МВ-1 (контактное)!!!! если я установил эл.стартер, музыку и аккумулятор, подключу к катушкам освещения напрямую (без диодных мостов) будет ли у меня аккамулятор заряжаться? я понимаю, что катушки освещения выдают 2.5-3.5 ампера!!!! вопрос состоит в том, что хватит ли мне зарядки без переделок чего либо или нет?
