modo-ufa

старшина 1ст.
Регистрация
03.08.2016
Сообщения
92
Карма
9
Возраст
49
Город
Уфа
Имя
Александр
Лодка
Крым, резинка-есть. Stingray360, Quiksilver 430 - были
Мотор
Меркури 30 2Т /меркотоха/
Парни вот дошёл до подключения машинки к двигателю, теперь есть вопросы помогите разобраться
итак машинка mercury RC881170A15





двигатель mercury 30 л.с. 2000-х годов вот провода, стабилизатор ещё не подключен



на машинке есть ключ + кнопка стоп + выход проводки под приборы
вот провода на конце к двигателю
на самой вилке, которые уходят внутрь двигателя



и вот эти провода торчали наружу от розетки



вот провода идущие от машинки к приборам
сама розетка



доп провода выходящие рядом



стоит задача /в будущем будет электростартер, пока его нет/
1. завод и глушение с ключа
2. обесточивание подсветки приборов, при выключенном ключе подсветка выключается
3. работоспособность кнопки безопасности
4. подключение тахометра через эту проводку

может кто знает где лежат электросхемы эти, ........

пысы
прошу прошения за дубляж поста, вот здесь ещё задавал этот вопрос
 

Raider

капитан 1-го ранга
Регистрация
15.07.2015
Сообщения
2 263
Карма
122
Город
Рязань
Имя
Юрий
Лодка
Катамаран "Янтарь"
Мотор
Ножной привод
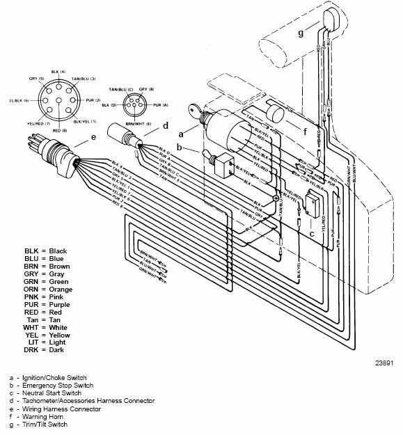
схема подключения машинки. это машинка от крупных моторов
 

Вложения

modo-ufa

старшина 1ст.
Регистрация
03.08.2016
Сообщения
92
Карма
9
Возраст
49
Город
Уфа
Имя
Александр
Лодка
Крым, резинка-есть. Stingray360, Quiksilver 430 - были
Мотор
Меркури 30 2Т /меркотоха/
спасибо, буду разбираться, схемы есть уже хорошо
 

timontiy

капитан-лейтенант
Регистрация
01.08.2016
Сообщения
372
Карма
99
Возраст
44
Город
Екатеринбург
Имя
Тимофей
Лодка
Казанка 5М
Мотор
Mercury ME 40M Sea Pro
вот тут еще полистай
 

modo-ufa

старшина 1ст.
Регистрация
03.08.2016
Сообщения
92
Карма
9
Возраст
49
Город
Уфа
Имя
Александр
Лодка
Крым, резинка-есть. Stingray360, Quiksilver 430 - были
Мотор
Меркури 30 2Т /меркотоха/

Борис

капитан 1-го ранга
Регистрация
30.01.2011
Сообщения
4 778
Карма
1 491
Возраст
66
Город
Озерск, Челябинская область
Имя
Борис
Лодка
Казанка 5М3, "Кефаль".
Мотор
Меркури 60ЕО
До "Мерка" у меня была "Ямаха F40". Один раз попытались завезти этот мотор с другой машинкой от точно такого же мотора. Не получилось.
 

Kep

капитан 1-го ранга
Регистрация
11.03.2015
Сообщения
1 509
Карма
217
Город
Самара
Имя
Владимир
Лодка
Нептун 470 open
Мотор
Yamaha 60 CETL
начинай с + провода на замок, должен быть красный
 

modo-ufa

старшина 1ст.
Регистрация
03.08.2016
Сообщения
92
Карма
9
Возраст
49
Город
Уфа
Имя
Александр
Лодка
Крым, резинка-есть. Stingray360, Quiksilver 430 - были
Мотор
Меркури 30 2Т /меркотоха/
парни вот ещё вопрос, начал заводить + - в двиган /провод 6 мм/ и столкнулся с ситуацией
как я понимаю
1. плюс от аккума заходит в двигатель к стартеру, от стартера идёт к стабилизатору (т.к. у меня пока стартера нет я плюс подсоединил на прямую к стабилизатору
2. минус от аккума подсоединил к корпуса двигателя через болт от корпуса к минусу стабилизатора
правильно ли я все сделал?
 

Вложения

modo-ufa

старшина 1ст.
Регистрация
03.08.2016
Сообщения
92
Карма
9
Возраст
49
Город
Уфа
Имя
Александр
Лодка
Крым, резинка-есть. Stingray360, Quiksilver 430 - были
Мотор
Меркури 30 2Т /меркотоха/
:eek: :eek: :eek:
парни, помогите, правильно ли я всё делаю????

или я какие то глупые вопросы задаю, так ткните носом где почитать плиз ......
 

timontiy

капитан-лейтенант
Регистрация
01.08.2016
Сообщения
372
Карма
99
Возраст
44
Город
Екатеринбург
Имя
Тимофей
Лодка
Казанка 5М
Мотор
Mercury ME 40M Sea Pro
modo-ufa сказал(а):
1. плюс от аккума заходит в двигатель к стартеру, от стартера идёт к стабилизатору (т.к. у меня пока стартера нет я плюс подсоединил на прямую к стабилизатору
2. минус от аккума подсоединил к корпуса двигателя через болт от корпуса к минусу стабилизатора
правильно ли я все сделал?
все правильно
 

modo-ufa

старшина 1ст.
Регистрация
03.08.2016
Сообщения
92
Карма
9
Возраст
49
Город
Уфа
Имя
Александр
Лодка
Крым, резинка-есть. Stingray360, Quiksilver 430 - были
Мотор
Меркури 30 2Т /меркотоха/

Raider

капитан 1-го ранга
Регистрация
15.07.2015
Сообщения
2 263
Карма
122
Город
Рязань
Имя
Юрий
Лодка
Катамаран "Янтарь"
Мотор
Ножной привод
не есть хорошо, когда силовые провода болтаются в воздухе
 

modo-ufa

старшина 1ст.
Регистрация
03.08.2016
Сообщения
92
Карма
9
Возраст
49
Город
Уфа
Имя
Александр
Лодка
Крым, резинка-есть. Stingray360, Quiksilver 430 - были
Мотор
Меркури 30 2Т /меркотоха/
Это временно
 

modo-ufa

старшина 1ст.
Регистрация
03.08.2016
Сообщения
92
Карма
9
Возраст
49
Город
Уфа
Имя
Александр
Лодка
Крым, резинка-есть. Stingray360, Quiksilver 430 - были
Мотор
Меркури 30 2Т /меркотоха/
Пока разобрался с тремя проводами :sos:
Вот что у меня получилось, правильно ли я мыслю?
 

Вложения

modo-ufa

старшина 1ст.
Регистрация
03.08.2016
Сообщения
92
Карма
9
Возраст
49
Город
Уфа
Имя
Александр
Лодка
Крым, резинка-есть. Stingray360, Quiksilver 430 - были
Мотор
Меркури 30 2Т /меркотоха/
вот
 

Вложения

Вверх Снизу