ajd

матрос
Регистрация
17.08.2013
Сообщения
6
Карма
0
Имя
Алексей
Лодка
Обь-3
Мотор
Yamaha-30HWCS
Добрый день!
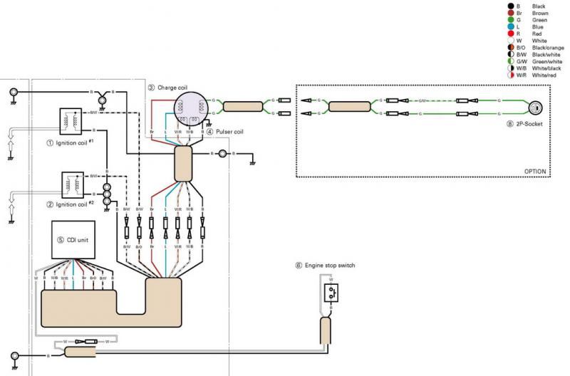
Собрал регулятор напряжения (РН),по всем известной схеме, после того, как выгорел эхолот после первого запуска, но возникли вопросы по поводу подключения РН.
Мотор 30HWCS с ДУ и системой зажигания.
На данный момент с мотора на АКБ идут два толстенных провода (в сечении около 6-7мм), АКБ 55А/ч.


Как понимаю, то в данном моторе нет штатного РН, а стоит диодный мост, а с него выпрямленное напряжение поступает на АКБ (что не совсем понятно по эл.схеме мотора).


Смущает толщина проводов, которые теоретически нужно снять и поставить РН вместо них (как понимаю - толщина проводов обоснованна запуском мотора с ключа, за счёт больших токов).

Что пришло в голову:
найти выход с катушки Charge coil и подключить регулятор напряжения к ней параллельно (думаю, что она уже задействована и к ней подключен диодный мост).


В итоге снимать напряжение с регулятора, обойдя штатную систему запуска. Ну как вариант, установить второй небольшой АКБ для питания штатных устройств с его автоматической подзарядкой от РН.

Поясните пожалуйста, кто сталкивался с такой проблемой. Заранее благодарен.
 

Вложения

ilyich

капитан 1-го ранга
Регистрация
14.12.2010
Сообщения
2 991
Карма
384
Возраст
65
Город
Волгоград
Имя
Александр
Лодка
Южанка-2
Мотор
Мерк 30 2Т,Yamaha F40BET
Привет!

Чёта диодного моста -выпрямителя я на схеме не увидел :?, только генераторную обмотку

Мож ешшо какая схемка в мануале есть?? У меня на Мерке три схемки было, в зависимости от версии..

На Мегазипе на картинке электрики коробочка под твой мотор "выпрямителем-регулятором" обзывается -- похоже деза?? :?
 

ajd

матрос
Регистрация
17.08.2013
Сообщения
6
Карма
0
Имя
Алексей
Лодка
Обь-3
Мотор
Yamaha-30HWCS
Перечитал сейчас кучу форумов, на 30HWCS стоит только диодный мост. Один из вариантов преобразователя для данного мотора - т.н. "довесок от Ивана". Думаю, что можно в разрыв, параллельно штатному мосту, подключить и мой преобразователь. Штатный будет питать АКБ, а с преобразователя уже снимать напряжение для потребителей.
 

U150

мичман
Регистрация
28.05.2014
Сообщения
154
Карма
4
Город
Подмосковье
Имя
Сергей
Лодка
YAMARAN B 330 Южанка-2
Мотор
TOHATSU 9.8 30HWCS
ajd сказал(а):
Перечитал сейчас кучу форумов, на 30HWCS стоит только диодный мост. Один из вариантов преобразователя для данного мотора - т.н. "довесок от Ивана". Думаю, что можно в разрыв, параллельно штатному мосту, подключить и мой преобразователь. Штатный будет питать АКБ, а с преобразователя уже снимать напряжение для потребителей.
Алексей проблему решил?
 
Вверх Снизу